Universidad de Salamanca
Escuela Técnica Superior de Ingeniería Industrial

Ingeniería Eléctrica
Foro de preguntas y respuestas sobre los
Proyectos de Fin de Carrera
y Trabajos de Fin de Grado

Preguntas y respuestas relativas a las propuestas vigentes de proyectos de fin de carrera y trabajos fin de grado.

Las preguntas deben dirigirse por el cauce habitual a los tutores, que responderán en esta página tan pronto como les resulte posible.

Datos de contacto de los tutores:

Norberto Redondo Melchor (prof. asociado)
Tel: +34 667 365 675

PREGUNTAS DE LOS ALUMNOS Y RESPUESTAS DE LOS TUTORES SOBRE LA REALIZACIÓN DE LOS PROYECTOS FIN DE CARRERA Y TRABAJOS FIN DE GRADO VIGENTES

Nota importante:

Procure formular sus preguntas de forma concisa y bien redactada, para que resulte clara la consulta tanto al tutor que le responda como al resto de alumnos que puedan estar en la misma duda.

Retroceder
 
## ##

RECOPILACIÓN DE MATERIALES OFRECIDOS POR LOS TUTORES:

Se trata de documentos cuyos enlaces están dispersos por este foro y que reunimos aquí para mayor facilidad de consulta.

    Luminotecnia:
  • Código CIE Flux normalizado, para interpretar los parámetros de una luminaria en relación con el Reglamento de eficiencia energética en alumbrado exterior. En esta dirección.
  • La regulación de niveles de alumbrado en cabecera, explicada en este PDF de nuestros apuntes de Tecnología Energética (p. 41 y siguientes).
  • Extracto de la norma UNE 12464.1 y la UNE 12193 en la versión de PHILIPS y otras referencias de niveles de alumbrado (PDF 885 kiB).
  • Iluminación de túneles de carretera según INDALUX (PDF 471 kiB).
  • Iluminación de carreteras y túneles: Orden circular 36/2015 del Ministerio de Fomento sobre criterios a aplicar en la iluminación de carreteras a cielo abierto y túneles. Tomo II: Recomendaciones para la iluminación de túneles (16.8 MiB).
 
 
PREGUNTAS RESPUESTAS

5 de septiembre de 2016

En un apartado del reglamento de Endesa dice que en canalizaciones entubadas se dejaran catas abiertas de una longitud de 2m, ¿A qué se refiere con estas catas?

El reglamento de Endesa es el conjunto de normas particulares que rigen las características técnicas de las instalaciones que se vayan a ceder a dicha empresa distribuidora. El régimen legal español obliga a que las redes de distribución las construya el interesado y luego las regale gratuitamente al titular de las redes públicas de distribución de energía eléctrica. Este regalo no será aceptado si lo construido no se ajusta a dichas normas particulares. Es requisito legal imprescindible que dichas normas estén aprobadas por el Ministerio de industria o la Comunidad autónoma competente.

Para tender cable por una canalización (un tubo ya enterrado) es preciso introducir una guía semirrígida por su extremo 'A' y, empujando, sacarla por el extremo 'B'; luego se ata una cuerda o cable piloto al final de la guía y, tirando de ella desde 'B' se sustituye la guía por la cuerda. Al extremo de la cuerda en 'A' se ata el principio del cable, que estará enrollado en una bobina o tendido en el suelo ya estirado, y tirando desde 'B' con un cabrestante (torno con motor) se instala el cable en su posición definitiva.

Las catas de tiro son los agujeros 'A' y 'B': gracias a ellos se puede hacer pasar el cable a través de su canalización definitiva. Cuando se habla de catas es porque esos agujeros van a quedar tapados después como el resto de la canalización, es decir, no se dejan arquetas registrables con tapa en ese lugar.

Las catas se suelen prever cada 50 m de tramo recto aproximadamente, y en cada cambio de dirección. Según la norma de Endesa deben extenderse, además, a lo largo de 2 m en la canalización.

Resumiendo: una cata de tiro son 2 m de zanja abierta con los tubos al aire para poder tirar de los cables y dejarlos metidos en su sitio. Una vez instalados se empalman con cuidado los tubos y se tapa todo como el resto de la canalización. No se dejan arquetas en ese sitio.

12 de agosto de 2016

Hola: he hecho el esquema unifilar de la captación y quisiera saber si está bien diseñado. Espero respuesta para poder modificarlo o pasarlo a autocad.

Este es el esquema unifilar que acompañaba a la pregunta. Veo bien que se haga a lápiz primero antes de pasarlo al formato definitivo. Escribir a lápiz estas cosas tiene la ventaja de poder rectificar fácilmente y no perder tiempo diseñando porque siempre seremos más rápidos con lápiz y goma que con ordenador e impresora. Aparte de las ventajas de la práctica en dibujar que también debe adquirirse. Pero recomiendo encarecidamente emplear SIEMPRE papel cuadriculado, que aún facilita mucho más el diseño de unifilares.

Esquema unifilar del alumno

[Nota: esta imagen se ve más grande si se abre sola en una ventana nueva.]

Unos comentarios al respecto:

  • Es correcta la estructura ramificada. En particular empezar siempre por un interruptor magnetotérmico de corte general. Es una forma muy eficiente de incrementar la fiabilidad y prestaciones de la instalación, sobre todo de cara a su mantenimiento y solución de averías.
  • La selectividad entre magnetotérmicos se puede mejorar : en el circuito 6 hay un magnetotérmico que no es selectivo con el de cabecera dado que tienen el mismo calibre. Yo buscaría sustituir el de aguas abajo por uno de 63 A, y si la bomba no lo permitiera, entonces el general debería ser de 100 A ó 125 A.
  • En ese mismo circuito 6 el diferencial colocado no es compatible con la intensidad nominal de ese circuito, que viene limitada por el magnetotérmico que he comentado antes. Así que si éste se sustituye por uno de 63 A, el diferencial podría ser también de 63 A. Y si se mantiene el magnetotérmico en 80 A, entonces el diferencial debería ser al menos de ese calibre también (probablemente un bloque diferencia asociado al magnetotérmico). Pero el de 40 A no es adecuado en ningún caso.
  • El diferencial que protege los circuitos 1, 2 y 3 está bien elegido. Aunque aparentemente esos circuitos (de 10 A de intensidad nominal cada uno) pueden demandar hasta 30 A (y el diferencial es de solo 25 A), lo cierto es que se trata de tres circuitos monofásicos (1, 2 y 3 de 10 A) que cuelgan de un diferencial trifásico (25 A). Como esos circuitos están bien asignados a una fase cada uno, se trata de hacer circular tan solo 10 A por fase a través del diferencial, que soporta hasta 25 A por fase sin problemas.
  • Con un cable de 2.5 mm2 en el circuito 2 la intensidad nominal puede subirse a 16 A generalmente. Teniendo en cuenta que es un circuito de tomas de corriente cuyo calibre nominal siempre es de 16 A, es una práctica aconsejable
  • Es costumbre que todos los diferenciales que protegen circuitos de alumbrado sean de 30 mA de sensibilidad como máximo. Esto no se cumple en el caso del circuito 1 para el "Alumbrado A1", que es un circuito que cuelga de un diferencial de 300 mA de sensibilidad.

12 de julio de 2016

Estoy haciendo el proyecto de la captación y bombeo de agua potable. Para elegir la bomba tiene que cumplir tanto en altura manométrica, en potencia y cuadal. Tengo una bomba de 265m de altura manométrica, 32 l/s y de potencia 85 kW. Quiero saber si está bien elegida o podría elegir alguna otra bomba con menos altura manométrica o menos litros.

También quisiera saber si las bombas de la captación son también de superficie como las de la ETAP.

1. La selección de una bomba comienza siempre por determinar su punto de trabajo, que es un par de valores: caudal que suministrará venciendo una determinada pérdida de carga. El caudal que podemos calcular es únicamente el mínimo necesario, el mínimo que podemos aceptar como bueno. Para ese caudal se producirá una pérdida de carga en las tuberías hasta que el agua salga por el extremo final (teorema de Bernouilli, pérdidas por fricción, etc.). El punto definido por ese caudal mínimo y la pérdida de carga calculada a que daría lugar debe estar dentro de la zona cubierta por la curva de capacidad de la bomba en el diagrama presión-caudal que proporcione su fabricante (en rojo sobre el dibujo, para la curva "C").

Luego la bomba trabajará realmente en un punto de su curva de capacidad próximo al punto teórico que hemos calculado (en azul sobre el dibujo), y es ese punto el que nos permitirá conocer la potencia eléctrica que absorberá su motor, si el fabricante lo ha incluido en su gráfica también (en verde sobre el dibujo).

Estimación potencia eléctrica bomba

Este dibujo se ve más grande si se abre él solo en una ventana nueva.

De manera que la respuesta a si se puede elegir otra bomba con menos altura manométrica (pérdida de carga a vencer) o menos litros (caudal necesario), supongo que la respuesta es que no, pues se trata del mínimo que debemos cumplir con esa bomba. Y como he explicado antes, luego en la realidad una bomba bien elegida dará un poco más, pues el punto real de trabajo estará sobre la curva de características presión-caudal de la bomba y no dentro de la zona que cubre.

2. En general todas las bombas son siempre de superficie, salvo las que se instalan dentro de depósitos o, más frecuentes, las que van en el fondo de los pozos de sondeo. Salvo estas excepciones, todas las demás son siempre de superficie.

11 de julio de 2016

Tengo una duda de donde poner en el proyecto los cálculos realizados en Excel sobre:

  • La previsión de cargas,
  • Cálculo de esfuerzos en apoyo estrellado,
  • Cálculos de de la línea aérea, subterránea y Centro de Transformación.

Las fórmulas utilizadas lo he descrito paso a paso en el apartado de ''Cálculos de media y Cálculos de baja'' pero creo que lo hecho en excel lo puedo poner en el apartado de ''Cálculos''. Estaría correcto?

Creo que sí. Es difícil encontrar un sitio para cada cosa en un proyecto, y sobre todo si es el primero que se hace. Por eso incluyo el índice totalmente desglosado en la propuesta, para evitar al máximo incertidumbres como la de esta pregunta.

En mis proyectos sigo generalmente la regla siguiente: la memoria debe poder leerse como un artículo de una revista o un capítulo de un libro, es decir, de forma continua y sin tener que ir de un lado a otro a consultar. Esto exige, normalmente, insertar resultados de cálculo entre el texto, a medida que éste lo va necesitando.

Así, por ejemplo, al abordar en la memoria la previsión de cargas comienzo por aclarar cómo es la red que las alimenta, y cómo voy a considerar cada carga después (frecuencia, potencia nominal, factor de potencia, número de fases, intensidad nominal, etc.) Si hay que hacer alguna puntualización, como que las tomas de corriente normalizadas de 16 A no llevan carga asignada en proyecto y por eso se las configura con potencia ínfima, aunque luego en cálculos se respeten sus 16 A, pues lo hago también en el texto. Y después pongo la tabla de previsión de cargas, no la mando hacia el anejo de cálculos.

Con los cálculos de esfuerzos en el apoyo estrellado pasa igual: describo cómo lo hago y enseguida pongo el resumen de resultados en el texto, pero no en el anejo de cálculos.

Dicho anejo de cálculos está para almacenar tablas suficientemente descritas en el texto que permitan dos cosas: la verificación de los resultados resumidos en la memoria, y demostrar que he hecho un trabajo profesional con suficiente diligencia. Esto último es importantísimo a la hora de posibles reclamaciones del cliente o de quien sea, que pueden producirse muchos años después, incluso, de haber ejecutado la obra. Se dan casos así con cierta frecuencia.

22 abril 2015

1.- Estuvimos hablando de la utilidad del alumbrado a contraflujo en la zona de entrada al túnel, que servía para aumentar la luminancia, pero ocasionaba deslumbramientos. Repasando el manual de Indalux y probando unas lumianrias de Philips, he comprobado que puedo conseguir la luminancia que se necesita, utilizando el sistema simétrico. Yo creo que quedaría mejor iluminado, pero el problema es que aumenta el número de luminarias, lo que eleva el presupuesto y los costes de mantenimiento y consumo.

¿Qué se va a valorar más? ¿menor presupuesto o mejor calidad y seguridad del alumbrado? En mi opinión lo segundo. Puedo justificar ahorro por otro lado porque las luminarias de Philips de las que te hablo, que son de VSAP de 400 W, irán solo en la zona de entrada, y en el resto del túnel voy a poner LED (que gastan menos).

2.- El nivel de luminancia en la zona de acceso (L20) que se calcula en el manual de indalux, se supone que es el nivel máximo, en un día soleado. ¿Cómo consigo la L20 Para el nivel de liminancia en día nublado? He encontrado en wikipedia una tabla en la que indica unos 25000 lux para nublado, y 100000 lux para soleado.

Imagen enviada por el alumno

¿Puedo usar la relación de iluminancia (25%) de esa tabla para calcular la luminancia del día nublado? Yo creo que si, pero wikipedia no me parece una fuente de infomación demasiado seria.

1.- El sistema simétrico supongo que es aquel en que se ilumina cada tubo del túnel desde sus dos laterales y con luminarias enfrentadas (simetría respecto del eje longitudinal del tubo). En efecto, esa disposición es la que seguramente proporcionará mayor uniformidad a la iluminación resultante. De manera que, primando el objetivo de la seguridad del tráfico, a la que benefician mayores niveles de uniformidad lumínica, nada que oponer a este sistema bilateral y simétrico.

La objeción, evidentemente, sería el coste. En un ejercicio académico como este proyecto de fin de carrera, no es un obstáculo para adoptar la decisión de primar la seguridad en el tráfico. De manera que, de nuevo, adelante con el sistema bilateral y simétrico. Sin embargo, son muy convenientes las consideraciones sobre los costes (inversión y también mantenimiento y funcionamiento) pues requieren del alumno un interesante esfuerzo de cálculo y comparación del que también se aprende bastante. Por ello aconsejo que se comparen las alternativas y se justifique la opción tomada, aunque sea la más cara. El ejercicio de obtener alternativas y compararlas es muy didáctico y denota dedicación y esfuerzo por parte del alumno, lo que al final tiene su recompensa.

Pero debo añadir que las alternativas y su comparación deben hacerse bien. Es un error frecuente, por ejemplo, olvidar que una disposición bilateral no solo implica más luminarias, sino también toda la infraestructura para alimentarlas (zanjas, canalizaciones, líneas, protecciones...) Que el afán por ofrecer y comparar alternativas no implique simplificar tanto las opciones que se cometan errores de bulto.

2.- Sobre la relación de luminancia entre días nublados y días soleados no puedo ayudar, pues carezco de experiencia sobre el asunto. Lo que puedo ofrecer es un luxómetro particular mío para hacer medidas de iluminancia. Nunca he tenido la curiosidad de medir de día al aire libre, ya que siempre lo he usado de noche o en interiores. De manera que si en la Wikipedia aparecen esos datos, lo único que se me ocurre es que, para mayor tranquilidad, se intenten contrastar con otras fuentes también de internet. Y buscando muy poquito se encuentran muchas, que ofrecen otras relaciones:

Por ejemplo, en The Engineering ToolBox se encuentra esta otra tabla, que si no me equivoco, induce a considerar una relación del 10% entre la iluminancia de un día soleado y uno nublado.

Imagen obtenida por el profesor

No es un problema: se puede tomar cualquier relación. Entiendo que se trata de relación entre iluminancias, no entre luminancias, pero como la diferencia puede reducirse a considerar o no el coeficiente de reflexión del asfalto y el ángulo de observación, que pueden considerarse constantes, la iluminancia y la luminancia resultan proporcionales, y por ello se puede adoptar la relación de una para la otra.

27 marzo 2015

Estoy con la iluminación del proyecto del túnel y tengo dudas...

- En Dialux, para introducir la iluminación requerida la unidad que usa es el lux, pero en los cálculos según el manual de indalux la iluminación se obtiene en candelas por metro cuadrado.

¿cómo puedo pasar de una unidad a otra? He buscado la equivalencia y obtengo: lx = cd/m2 * sr

donde sr es el estereorradián, que es igual a la superficie de la esfera partido por el radio al cuadrado sr = S/r^2

Pero esto no me soluciona nada, ya que ni sé si el sr es una propiedad de la luminaria y, si lo es, ningún fabricante ofrece ese dato.

Imagen enviada por el alumno

Por la pregunta que me hace, me parece que el método que está utilizando en el cálculo con Dialux es el de la iluminancia, mientras que las explicaciones del manual de Indalux se deben referir al método de la luminancia. Le recomiendo que consulte con el profesor de Luminotecnia sobre las diferencias entre ambos métodos, pero voy a intentar orientarle:

Dicho mal y pronto, la iluminancia mide la cantidad de energía luminosa visible que se proyecta, que se echa sobre una superficie determinada. Se mide en lux y no en vatios/m2 porque no es cualquier tipo de energía irradiada, sino sólo la visible.

La luminancia en ingeniería mide la cantidad de luz que refleja hacia el ojo de cierto observador un objeto iluminado. Se usan las candelas/m2 en lugar de los vatios/m2 para indicar que se trata sólo de radiación visible.

El método de la iluminancia pretende evaluar cuánta cantidad de luz visible recibe una superficie. Es habitual en interiores y en alumbrado decorativo, y también en exteriores donde se busca iluminar para crar ambiente (parques) o dar seguridad a la gente de noche (calles de barrio o pueblo, por ejemplo).

El método de la luminancia se utiliza en carretera cuando lo que importa es saber qué luz refleja al conductor un obstáculo situado a cierta distancia (60 m) enfrente de él, bien en su carril, bien en el contrario. Para que este método tenga sentido hay que hablar de tramos largos y rectos, y de tráfico a cierta velocidad, generalmente a más de 60 km/h.

Para iluminar un túnel de autopista es necesario, por tanto, emplear el método de la luminancia, trabajar en cd/m2, y asegurarse de elegir bien la posición del observador para obtener los resultados correctos. Esto el Dialux lo permite hacer.

Los niveles de alumbrado normalizados por el Reglamento de eficiencia del alumbrado exterior son distintos para cada método. Así un ME2 implica ciertas cd/m2 obtenidas por el método de la luminancia, mientras que un S3 son ciertos lux calculados por el método de la iluminancia.

La única equivalencia entre cd/m2 y lux que yo conozco es meramente aproximada, y se menciona al final de la tabla 7 de la ITC-EA-02 del mencionado Reglamento.

27 de marzo de 2015

- Otra duda sobre el túnel. Para conseguir los distintos niveles de iluminación (diurno, nublado, nocturno..) ¿se emplean luminarias de distinta potencia? ¿se encienden un mayor o menor número de luminarias?

Mi idea era un mismo tipo de luminaria (LED) y un sistema de regulación que controle los distintos niveles, pero no sé si es posible o si voy a ser capaz.

En general se juega con la interdistancia entre luminarias y su distribución entre varios circuitos. Si se reparten las luminarias en circuitos distintos será posible, alimentando unos sí y otros no, proporcionar más o menos iluminación al túnel.

También se pueden usar, en lugar de leds, lámparas de descarga VSAP (vapor de sodio a alta presión) que admiten la disminución de su flujo luminoso en un 50% cuando se las somete a una tensión inferior en un 40% al valor nominal. Esto se consigue mediante equipos reguladores-estabilizadores en cabecera. Habría que diseñar el alumbrado para el nivel de flujo luminoso reducido (a tensión reducida) y en los casos más desfavorables contar con ese 40% de aumento, que también puede bastar.

En general se utilizan las dos posibilidades mencionadas de forma conjunta: varios circuitos y reducción de flujo por menor tensión de alimentación en las lámparas VSAP.

Sobre lo de ser capaz el Dialux permite simular varias Escenas de luz y manipular los encendidos de ciertas luminarias a través de la opción Grupos de control. Ambas posibilidades se llega a través del menú Insertar. ¡Ánimo!

4 de febrero de 2015

Le adjunto una imagen con indicaciones de la gráfica que le indicaba en mi anterior mensaje.

En mis cálculos tengo una velocidad de 100 km/h tal como indica el proyecto y una DS (distancia de seguridad de 160 m, en la primera mitad de la zona umbral 80m en dicha primera mitad, se mantienen los cd/m2 al 100% y en la segunda mitad disminuye progresivamente hasta un mínimo de cd/m2 / 0.4).

Tengo calculada la cd/m2 por entrada en la zona umbral, en la entrada Norte 120cd/m2 y en la entrada Sur 200 cd/m2.(mínimo de cd/m2 en zona umbral en cada caso; 80 y 48)

Mi pregunta es la siguiente: como calculo los distintos escalones para sacar la reducción de cd/m2 y las distancias pertenecientes a la longitud de cada tramo? ya que es necesario a la hora de configurar la iluminación con las distintas zonas iluminadas según las cd/m2, hasta llegar a la zona de transición.

Imagen enviada por el alumno

He debido pedir al alumno que hace esta pregunta que me aclare qué quería saber. El texto que reproduzco a la izquierda es su pregunta aclarada. Lamento que, a pesar del esfuerzo que la imagen que acompaña representa, la pregunta tampoco se entienda mucho. Voy a intentar responder a lo que creo que quierre saber.

Se trata de conocer qué puntos define la curva amarilla en la gráfica sin tener la ecuación de la curva. La respuesta es que se deben leer de la propia gráfica. De forma que yo leo para t = 0 s un valor L = 38%, para t = 2 s un valor L = 16%, para t = 4 s L = 9%, etc.

Si fuera muy necesaria la ecuación de la curva, entonces habría que seguir leyendo más puntos, representarlos en una hoja de cálculo, y solicitarle a la hoja la ecuación de ajuste más conveniente. El ajuste lo hará por el método que sea y el resultado será muy bueno. Eligiendo la opción de "mostrar la ecuación en el gráfico" ya se tiene la ecuación buscada.

De cualquiera de las dos formas, lo que interesa es lograr una buena aproximación de los niveles de iluminación que se definan en cada zona del túnel a lo que pide la gráfica. La aproximación se hará, evidentemente, por escalones. Cuantos más escalones haya, más cerca de lo que pide la curva quedará la solución proyectada. El alumno sugiere, en rojo, 4 escalones diferentes, y pregunta cómo calcularlos. Pues justamente como lo ha hecho, es decir, sobre la gráfica. El primer escalón mantiene L = 45% hasta t = 3 s; el segundo es un escalón donde L = 15% para 3 s ≤ t ≤ 8.5 s, y así.

¿Por qué el alumno propone esta solución? Porque se tiene que aproximar a la curva, porque opta por hacerlo por exceso y porque considera apropiados 4 escalones. Él lo decide porque él es el proyectista. A mi me parece muy razonable su solución. Es más: yo diría, por los túneles que he visto, que también es suficiente prever solo 3 escalones. Pero también se pueden hacer muchísimos más, espaciando sabiamente las luminarias de forma gradual o continua. Para eso vendría bien tener la ecuación de la curva amarilla, que se obtiene de la hoja de cálculo como he dicho, y definir 8 ó 10 escalones más.

La gráfica está sacada del documento de iluminación de túneles de INDALUX. Para no tener que buscarlo, lo ofrezco más arriba, con el resto de materiales que han venido siendo útiles para los proyectos.

20 de marzo de 2014

El alumbrado de emergencia de las zonas correspondientes a pública concurrencia ¿debe dividirse también en al menos 3 circuitos independientes? Si en alguna de las zonas la potencia correspondiente a dicho alumbrado de emergencia es baja, ¿serviría como justificación para no hacer la división?

A la hora de representar las baterías de acumuladores en el esquema unifilar, ¿se hace de la misma manera que los circuitos de alumbrado general?

Generalmente el alumbrado de emergencia se resuelve bien con luminarias autónomas que llevan un pilotito indicador del estado de carga de su propia batería, más una lamparita que funciona con dicha batería durante, al menos, una hora, cuando no hay tensión en el circuito que las alimenta. La idea es que estas luminarias se conecten al mismo circuito (magnetotérmico) que las luminarias ordinarias a las que reemplazan si falta la tensión. Por ello no hay que dividir las emergencias autónomas en 3 circuitos independientes, puesto que ya quedan divididas cumpliendo la condición anterior.

La cuestión de los acumuladores me hace pensar otra cosa: ¿la pregunta anterior, y ésta de ahora, se refieren a emergencias que no son autónomas? ¿Se refieren a luminarias ordinarias que pueden recibir el suministro de dos fuentes distintas, una que siempre es la red, y otra que puede ser un sistema apoyado en baterías? Si la cuestión va por ahí, la respuesta anterior sería sustancialmente la misma (las emergencias reemplazan a las luminarias que reemplazan, luego si éstas van en tres circuitos, las emergencias también), pero la respuesta a la cuestión del unifilar sería demasiado complicada como para responderla aquí, pues depende del tipo de sistema que se haya proyectado... Sugiero que me vuelva a preguntar incluyendo los detalles del sistema de acumuladores y croquis o plano de una posible solución. Luego yo lo comento o corrijo si hace falta.

17 de marzo de 2014

Me gustaría saber si es competencia del autor/a del proyecto incluir marcas comerciales de cada elemento de la instalación (transformador, luminarias, interruptor astronómico y un largo etc), o simplemente basarse en modelos existentes para indicar características y presupuesto aproximado. Gracias.

La normativa que rige cómo hacer proyectos para la Administración prohíbe expresamente incluir marcas y modelos, porque se entiende que así se favorece la competencia entre contratistas para beneficio de la obra y la disminución de su precio. Sin embargo hay muchas ocasiones en las que los estudios se hacen para un tipo concreto de equipo (como el alumbrado) lo que presupone fabricante y tipo. Entonces lo que se hace es citar sus características esenciales, mencionar la marca y el modelo añadiendo o similar y pasar a la dirección de obra la tarea de evaluar si el contratista pretende a instalar algo realmente similar.

Si el proyecto que se está haciendo para superar la asignatura va dirigido (supuestamente) a una Administración, o tiene pinta de que así deba ser (abastecimiento de aguas, carreteras), entonces debe seguirse esta práctica y evitar mencionar marcas y modelos, a no ser que resulte imprescindible, y en ese caso no olvidar añadir lo de o similar.

13 de marzo de 2014

Te envio este correo ya que después de leerme el proyecto un par de veces más, me surgen dudas.¿Cuales son las preguntas mas típicas que puede hacer el comité? ¿Donde pueden ponerle más énfasis en el proyecto? No querría quedarme en blanco el día de la exposición por no saber explicar algo.

Espero que me diga que tal el resumen de proyecto si tiene la calidad suficiente y más o menos el proyecto y planos en general.

Yo puedo hablar de las preguntas que suelo hacer cuando soy miembro del tribunal que juzga proyectos de fin de carrera, pero no acerca de lo que dice o puede decir el resto de profesores. El reglamento universitario que regula esta asignatura impide que el tutor sea luego miembro del tribunal, así que sólo puedo añadir que hay que hacer lo que todos los que hemos pasado alguna vez por este trámite sabemos que hay que hacer: ir a cuantas defensas de proyectos se pueda antes de que nos toque la nuestra.

Sobre cómo preparar la presentación y dónde hacer más énfasis ya he dado orientaciones en este foro. Ejecute una búsqueda automática desde su navegador y lo hallará sin problemas. Ahí hablo también de los nervios durante la presentación.

La calidad del proyecto o de su resumen la juzga el tribunal. Como tutor me corresponde contestar a las preguntas del alumno. La revisión que haré del proyecto terminado, previa a emitir mi informe para el tribunal, podrá detectar algún fallo importante (que comunico siempre al interesado), pero en mi caso me centro en certificarle al tribunal aspectos más bien formales, como la redacción, la completitud del trabajo o la originalidad del contenido, y sólo una cuestión material, que es mi estimación de la dedicación que creo ha tenido el alumno durante el tiempo de elaboración. Nada más.

13 de marzo de 2014

Tengo una duda sobre el proyecto de la ETAP para los 4 municipios, he echo una estimación a 25 años de los habitantes que va a tener cada municipio y ahora estoy calculando el caudal a tratar. Mi pregunta es:

-Sumo todos los habitantes de los cuatros municipios y lo dimensiono el caudal con esa suma.

-Voy haciendo cada municipio con sus habitantes para dimensionar el caudal y finalmente sumo todo los caudales que me han dado.

Hay que hacer ambas cosas y verificar que de ninguna de las dos formas los caudales a distribuir vayan a ser más pequeños de lo calculado. Supongo que los resultados van a ser prácticamente los mismos porque ambas formas son, en el fondo, la misma cosa. Pero luego, para calcular cada instalación, evidentemente hay que tener en cuenta solo el caudal que corresponda a cada caso: para la captación el caudal será el total; para la distribución a cada pueblo el caudal será el que le corresponda solo a ese pueblo.

13 de marzo de 2014

Una duda general: a la hora de asignar circuitos bajo un mismo diferencial ¿es obligatorio que todos sean del mismo tipo (bien de alumbrado, bien de fuerza)?

En absoluto. Se pueden mezclar si ello no va a repercutir negativamente en la fiabilidad de la instalación, lo que normalmente no ocurre. Es más, generalmente se mezclan para poder separar con mayor eficacia los alumbrados de los locales de pública concurrencia.

13 de marzo de 2014

Estoy a falta del proyecto fin de carrera, y tengo asignado el proyecto de una instalación eléctrica de un túnel de autopista. Actualmente resido en (...) y he estado, y estoy desarrollando dicho proyecto.

Se me está planteando algún problema con la elección del programa adecuado para el cálculo de luminarias en función de la luminancia en las diferentes zonas del túnel, por no encontrar ningún programa especifico para túneles. Estoy utilizando el programa Dialux en el que tengo la opción de proyectos de iluminación exterior añadiendo calzadas y aceras peatonales, y lo estoy haciendo para cada uno de los distintos tramos sin encontrar la opción de ir disminuyendo la luminosidad gradualmente. Mi pregunta es si existe algún programa más adecuado para realizar dicho cálculo, alguna recomendación al respecto o sigo utilizando dicho programa adaptándolo lo mejor posible al óptimo desarrollo del proyecto.

A su vez, saber si existe alguna recomendación por su parte, aparte de lo expuesto en la propuesta del proyecto, sobre los distintos temas a tener en cuenta, puesto que cualquier aporte seria de gran ayuda.

Espero no sea inconveniente abordar el tema por correo, pero en cualquier caso intentare desplazarme a Béjar en los próximos días para mostrarle el material que he desarrollado, y dialogar sobre las soluciones adoptadas en el desarrollo del proyecto, por ello me gustaría saber qué día o días y la hora a la que está disponible para realizar una pequeña tutoría.

El programa Dialux es útil para túneles y pueden simularse con él diferentes grupos de encendido (agrupación de luminarias que se activan a la vez) para calcular rápidamente diferentes posibilidades. No entiendo lo de la iluminación gradual. Si la cuestión se refiere a que túnel adentro se reduce el número de luminarias y aumenta su interespaciado, eso se simula en Dialux de forma trivial sin más que colocando, sobre un plano real, las luminarias que correspondan en el lugar que corresponda.

Entiendo que la misión fundamental del tutor, como ya he repetido muchas veces, es orientar al alumno respondiendo a las preguntas que éste le haga. Es el alumno, por tanto, el que debe pensar en qué cosas de las estudiadas durante la carrera son recomendables para incluir en su proyecto y, si luego tiene dudas sobre ellas, preguntar al tutor. Creo que la 'gran ayuda' que solicita ya se le ha proporcionado al elaborar una propuesta pormenorizada al extremo y de 8 páginas de extensión.

Y sobre la tercera pregunta, como puede comprobar, el correo es un medio eficaz. Y en este foro puede encontrar cómo solicitar y obtener tutorías presenciales colectivas.

3 de marzo de 2014

Hola. Le envío algunas dudas sobre el proyecto de restaurante y piscina.

1. Alumbrado de emergencia: ¿es el mismo en el anejo de instalación eléctrica del edificio y en el de protección contra incendios? En caso de que así sea, ¿es mejor repetir la información, resumirla en el que aparezca en segundo lugar o remitir al apartado en el que ya se ha hecho la descripción?

2. En general, cuando nos basamos en alguna normativa para describir condiciones, características, etc. ¿hasta qué punto hay que incluir lo que indica dicha normativa? Me encuentro ejemplos en los que se adapta al proyecto en cuestión (es lo que supongo más correcto), otros donde solo se indica que se seguirá tal normativa y otros en los que se copia indiscriminadamente.

3.La división de los circuitos de alumbrado en al menos tres grupos bajo diferenciales diferentes (para evitar en caso de que salte alguno quedarnos sin luz en toda una misma sala) ¿es aplicable también al alumbrado exterior?

4. Mi sala de comedor del restaurante es bastante grande y cuenta con 90 puntos de luz. Los he dividido en 10 circuitos (de 9 aparatos cada uno). ¿Es un número aceptable de circuitos? Quizá no eran necesarios tantos.

Voy respondiendo por orden:

1. El alumbrado de emergencia, en efecto, se cita en dos partes del esquema a seguir según la propuesta de trabajo fin de grado. Se debe diseñar completamente en una de las dos partes, y en la otra se hace remisión a la primera. Ya he dicho que es contraproducente repetir información y que el criterio general es el contrario: la información se debe dar en el sitio apropiado, y cuantas menos veces se repita después, mejor.

2. Este asunto es algo que como profesor y como profesional me molesta bastante. Las normas establecen los límites a lo que se puede hacer, pero es el proyecto el que debe decir lo que se va a hacer. Por tanto, copiar la norma es absurdo: hay que aplicar la norma, no volverla a copiar. Todos esos documentos en los que se copia la norma están queriendo decir que el autor ni sabe ni se molesta en hacer una cosa decente. Y los que meramente se remiten a la norma, sin siquiera copiar lo que les parece más importante de ella, están anunciando a gritos su incompetencia y echando, además, el trabajo encima del que les sigue en la obra, que será el que deba hacer realmente el proyecto. La manera honrada de proceder es dar las soluciones ya pensadas, y explicar en el proyecto además por qué esas soluciones cumplen las normas.

3. La división del alumbrado en al menos tres circuitos independientes es una exigencia de la ITC-BT 28 que se aplica a locales de pública concurrencia. Por definición, el exterior no es un local, y por ello la exigencia de división del alumbrado no se le aplica.

4. En general cuanto más circuitos existan mejor se cumple el tercer objetivo del Reglamento de baja tensión (art. 1 c) que es la fiabilidad técnica y la eficiencia económica de las instalaciones.

 

1 de marzo de 2014

Buenos días. Mis preguntas son las siguientes:

1-¿Hasta qué punto tengo libertad para diseñar las distintas instalaciones: pistas de tenis, polideportivas, la piscina, el aparcamiento y el edificio central?

2-El aparcamiento cubierto a que se refiere, ¿puedo hacer un edificio a parte del principal para alojar el aparcamiento? ¿Puede ser subterráneo?, ¿O simplemente hay que poner un toldo o marquesina por encima?

3-Y respecto a la pista polideportiva ¿podría hacer un pabellón con vestuarios gradas aseos para visitantes etc.?

Creo que todas estas preguntas tienen la misma respuesta, y está en la segunda página del documento de Propuesta de trabajo fin de grado: "El resto de detalles no especificados en esta descripción podrán ser supuestos por el alumno, pero deberán asemejarse lo más posible a datos extraídos de la realidad." Como parece que cualquiera de las opciones preguntadas pueden encajar en la propuesta, cualquiera de ellas será válida. Al final siempre es el alumno quien determina la envergadura del proyecto que quiere realizar.

 

6 de febrero de 2014

En el apartado de presupuesto. ¿Hasta donde llega mi jurisdicción de valoración de materiales? Me veo en un punto en el que, como ingeniero eléctrico, no sé si he de valorar dentro de la obra civil. Se que zanjas y demás si, pero, ¿he de valorar también la E.T.A.P., la caseta de captación, y por ejemplo, el depósito de acumulación de 1000 m3?

No quiero que mi proyecto se exceda de mi labor como ingeniero eléctrico.

En un proyecto hay que valorar todo lo que se diseña y manda ejecutar. Para determinar las partidas (conceptos) de obra que se requieren hay que reflexionar muy cuidadosamente con el objeto de no olvidar ninguna actuación que sea necesaria porque se ha diseñado una instalación que la precisa. Para cuantificar las unidades de obra (mediciones) hay que contabilizar escrupulosamente cuánto se pide en el proyecto de cada cosa. Todo esto se debe hacer pensando con la mayor dedicación posible. La experiencia ayuda, pero en el primer proyecto (el de la Escuela) se toleran fallos en aquellos alumnos que se sabe que no la tienen.

Con lo dicho intento explicar que en el Proyecto lo importante es contemplar en el presupuesto todas las partidas de obra necesarias, y acompañarlas de las mediciones más ajustadas posibles. Por ejemplo, si en el proyecto se diseña la acometida eléctrica subterránea a una instalación, será preciso que aparezca una partida de obra contemplando reposición de firme si es previsible que la acometida se canalice bajo calle, carretera o acera. Adelmás es necesario que se estimen bien los metros cuadrados que ocupará esa reposición de firme sobre la base de los planos (longitud y anchura de las zanjas) más un pequeño margen de seguridad.

He puesto el ejemplo del firme porque, aunque se trata de obra civil, la acometida eléctrica subterránea está diseñada y calculada en el Proyecto, de manera que no vale la excusa 'es un proyecto eléctrico' para olvidar que las canalizaciones alguien las tiene que hacer y alguien las tiene que pagar.

El criterio para decidir qué incluir en el presupuesto y qué dejar fuera es justamente ese: se describirán y medirán las partidas que sean imprescindibles para ejecutar lo que se diseña en el Proyecto. Luego, al revés, las instalaciones o infraestructuras que se suponen existentes, y sobre las que se añaden las instalaciones proyectadas, no deben incluirse.

Por último, los precios. Dudo que a un alumno le exija ningún tribunal que acierte con los precios o con las horas de mano de obra que se requieren para valorar cada partida. Pero esto no es excusa para no saber valorar elementos con los que se tiene relación cotidiana, o cuyos precios se puedan obtener rápidamente en internet. Sitios como www.construmatica.com/bedec o similares ayudan también.

 

28 de enero de 2014

Una de mis ultimas preguntas a realizar es: Apartado IX. Anejo de cálculo. Veo que pone colección de tablas, con su explicación pero mi pregunta es.

¿ He de repetir los cálculos exactamente como me los pidió en cada uno de los puntos de mi proyecto? Los cálculos hidráulicos, los de media tensión, los de baja, etc. Un copiar y pegar todos recopilados vamos...

No. Procure siempre repetirse lo menos posible en un proyecto. La experiencia dice que cuando un mismo dato aparece más de una vez, queda mal reflejado al final.

La razón es la siguiente: normalmente la elaboración de un proyecto no sigue una secuencia lineal, capítulo a capítulo, sino que se avanza por todo a la vez, pues a medida que se obtienen resultados parciales en una pequeña cuestión, se incorporan como datos de partida en muchas otras, que pueden haber quedado ya provisionalmente resueltas antes pero que ahora, con el nuevo resultado parcial, deben ajustarse. Si el resultado parcial, ese que afecta como dato en los ajustes de otros resultados, se repite al justificar cada uno de estos resultados, se corre el riesgo de no cambiarlo en todos los sitios y que, por ello, no se entiendan los cálculos basados en él.

 

28 de enero de 2014

Apartado VI. Anejo de alumbrado exterior.

La idea son 14 luminarias cada 25 metros y 6 luminarias alrededor del edificio de la ETAP, de 150 W de vapor de sodio. Y así calculé la baja tensión, para esos valores. Creo que lo mas correcto será colocar LEDS, de 39 W, todo me cuadra con el DIALUX. Mi pregunta es (para 20 luminarias en total):

En el apartado VI. veo sub-apartados que no constan para tan pequeña instalación de alumbrado. ¿Seria correcto reflejarlos como no constan, o tal vez omitirlos? No piense que intento ahorrarme trabajo sino que no sé como reflejar dichos datos con tan poca instalación.

Si la instalación no tiene más de 1 kW de potencia instalada (y en este caso no la tiene si son 20 luminarias x 39 W/luminaria) entonces no hay por qué aplicar el Reglamento de eficiencia en alumbrado exterior (véase su ámbito de aplicación). En estas condiciones el alumno puede apartarse de la propuesta de los tutores, que está pensada para el caso contrario. Pero deberá justificar bien la razón.

 

28 de enero de 2014

Tengo ya asignado el proyecto de abastecimiento a 4 municipios contigo.

Ya he empezado cosas pero me falta bastante… de inicio quería presentarlo en junio, pero (..) prefiero ver la posibilidad de entregarlo y defenderlo en Abril, para evitar tensiones añadidas.

Me voy a poner a fondo con ello, pero supongo que habrá que enviártelo para que puedas revisarlo antes de entregarlo, que creo que es del 1 al 4 de abril.

¿Con cuanto tiempo antes tienes que tenerlo? Y como ves que es la mejor forma de actuar al respecto por mi parte?

Agradecería tu contestación, por mi parte pondré todo el empeño necesario para hacer un buen trabajo, pero prefiero estar ahora un poco más apretado que no en Junio que puede ponerse las cosa más tensa.

Vayamos por partes:

  • Los trámites debe iniciarlos y terminarlos cada alumno en Secretaría. No es nuestra misión como tutores encargarnos de cuestiones como la de conseguir que se asigne la propuesta al alumno. Pero es esencial lograrlo para que luego no haya problemas y se pueda defender en su momento.
  • El propósito de enviar el trabajo al tutor es, en nuestro caso, el que podamos emitir el informe final para el tribunal. Si se hace antes de entregarlo, los tutores podemos encontrar algún fallo y advertir al alumno, pero no es nuestra función principal. El tutor debe guiar al alumno y contestar a cuantas preguntas le haga el alumno. Las preguntas se formulan por correo electrónico y se responden a través de estas páginas. El alumno debe preguntar al tutor todo lo que dude y no pueda resolver con garantías de acertar.
  • Podrá haber clases a modo de tutorías, que como es habitual serán colectivas. Se celebran a petición de los alumnos, con el contenido que éstos deseen. El profesor las convocará cuando haya alguna petición colectiva concreta.
 

3 de enero de 2014

Apartado X. Pliego de condiciones, parte B. Pliego de condiciones particulares. ¿A que se refiere con certificación de las instalaciones y las condiciones aplicables a la ejecución?

Entiendo que las certificaciones han de ser los pagos a cuenta de las obras ejecutadas. No sé si se refiere a otro concepto, o de donde obtener dichos certificados.

En el pliego de condiciones se deben incluir los criterios para determinar qué se le paga al Contratista al cabo de cada mes que dure la obra. Esto se hace mediante la técnica de las certificaciones, que se estudia en Oficina Técnica y asignaturas de ese tipo. Es una precaución lógica del Contratista pedir que el ingeniero director de la obra le certifique como terminado lo que aún no ha ejecutado, porque así puede facturarlo y antes se lo pagará la Propiedad. Como el Contratista está adelantando dinero para pagar a sus proveedores (los materiales de la obra) es hasta cierto punto disculpable que quiera anticipar también las certificaciones. Pero el interés de la Propiedad es justo el opuesto: no quiere tener que pagar por una obra sin terminar todavía. En el medio está la virtud. Pero el medio lo ocupamos los ingenieros.

Serán el ingeniero proyectista y después el ingeniero director de obra quienes deban poner las cosas en su justa mitad. Para eso sirven las condiciones del pliego de condiciones del proyecto: para decidir de antemano, a modo de reglas del juego que el Contratista conocía antes de empezar a trabajar, qué se certificará como ejecutado con derecho a cobro y cuándo se hace.

Es difícil decidir si incluir o no en el pliego la cláusula "no se certificarán acopios de material", o la de "sólo se certificarán unidades de obra rematadas y probadas", etc. Pero luego es más difícil hacerlas cumplir en la práctica: depende de qué tipo de persona sea cada uno... Recuerdo a don Quijote explicarle a Sancho Panza, antes de que éste fuera a gobernar la Ínsula Barataria, que no es mejor la fama del gobernante riguroso que la del compasivo. Con ello quiero decir que el pliego de condiciones suele imponer condiciones rigurosas, favorables a la Propiedad que es quien contrata al ingeniero, pero luego éste las atemperará en el día a día de las obras, en función de la relación que se establezca con el Contratista. Todos somos personas al fin y al cabo.

Resumiendo: las certificaciones son el documento que recoge hasta dónde pueden llegar los pagos a cuenta por las obras en curso de ejecución; las condiciones para certificar deben aparecer en el pliego de condiciones, y se las inventa el redactor del proyecto para solucionarle la cuestión a las tres partes que intervienen después en la ejecución de la obra, que son el Contratista, la Propiedad, y en medio la dirección facultativa.

 

3 de enero de 2014

Apartado VIII. anejo de gestión de residuos de la construcción. ¿Tenemos que desarrollar la obra civil de excavación de las tuberías de impulsión de agua?

Presiento que es un tema en el que no debería entrar, pero si tengo que tenerlo en cuenta, también tendré que hacer su gestión como residuos sobrantes.

El anejo es obligatorio según el Real Decreto 105/2008, de 1 de febrero, por el que se regula la producción y gestión de los residuos de construcción y demolición. En él deben contabilizarse los excedentes de la excavación, así que, como mínimo, es preciso cubicar el volumen de residuos sobrantes. Pero claro, una zanja que se abre y se tapa apenas produce un 25% de exceso, que si es tierra limpia se esparce por alrededor y ya está. Pero ¿qué ocurre con los cruces de carreteras y paso por calles y similares? Hay cierta proporción del residuo, que es el firme destruido de la parte superior de la zanja, que no se puede ni devolver a la excavación (los cascotes romperán las canalizaciones el mismo día o al cabo de mil, pero las romperán) ni esparcir por alrededor. Esos sí son residuos que deben valorarse en este anejo.

También deben valorarse los residuos derivados de las instalaciones proyectadas: cartones, maderas, plásticos, retales de cables, restos de ayudas de albañilería, etc.

Valorar significa dejar una partida en el presupuesto para pagar el acarreo de los residuos a una planta autorizada de reciclaje, y pagar también la tasa de recogida que cobrará el gestor de dicha planta. Como orientación pueden tomarse los siguientes precios para ambos costes a la vez:

  • Restos de hormigón: 7.00 €/tonelada
  • Restos de asfalto: 12.00 €/tonelada
  • Madera: 8.00 €/m3
  • Residuos mezclados (>500 kg/m3: 15.00 €/tonelada
  • Residuos mezclados (≤500 kg/m3: 130.00 €/tonelada

En ningún caso, en ningún proyecto de construcción de lo que sea, puede faltar el anejo de residuos de la construcción, ni tampoco la partida correspondiente en el presupuesto.

 

21 de diciembre de 2013

En el apartado IV. anejo de protección contra incendio tanto en a. compartimentacion en sectores de incendios como en b. cálculo de la ocupación, me guio por las tablas que existen en el DB SEGURIDAD EN CASO DE INCENDIOS, las tablas 1.1 y 2.1 para saber la sectorización y la ocupación de los locales.

mi pregunta es ¿debo copiar esas tablas dentro de mi proyecto para que se vea que es por normativa? porque en principio solo lo he mencionado de donde lo saco. gracias

Ante todo, recuerdo que publico las preguntas tal y como vienen, por lo que las faltas de ortografía del autor ahí quedan para que todo el mundo las vea. No cuesta tanto escribir correctamente, y es algo que como tutor valoro y el tribunal también tendrá en consideración en su día.

Sobre el fondo del asunto: creo que los proyectos ahora vigentes tienen más que ver con el Reglamento de protección contra incendios en edificios industriales que con el Código técnico de la edificación. Así pues, en cuanto a la sectorización, creo que la normativa a aplicar es la industrial y no la de edificación residencial. En cuanto a la ocupación ocurre lo mismo, con la salvedad de que el Reglamento para industrias se remite al Código técnico en este aspecto puntual. Así que, atención, hay que aplicar la norma adecuada siempre, y para ello, hay que estudiar con atención el ámbito de aplicación de cada una. Ya sé que eso está en los primeros artículos y que no se los lee nadie, pero eso es un error.

Sobre la pregunta en sí: una forma fácil de averiguar la dedicación del alumno a su proyecto es comprobar cuánta normativa "copia y pega". Si el autor reproduce párrafos enteros de normas, o texto el que sea, es probable que eso indique que no sabe qué poner al respecto en su proyecto. Porque si la norma dice que se respetará tal distancia, lo que debe aparecer en el proyecto es qué distancia se ha adoptado para así cumplir la norma tal en el capítulo cual. Y nada más. O cuando se copia y pega el listado entero de los lugares donde el Reglamento para baja tensión pide alumbrado de urgencia ("emergencias"), no se está diciendo en qué puntos necesita la instalación proyectada una lámpara de esas. En ambos casos se trata de un demérito clarísimo del proyecto, que hace pensar que el interés del alumno no ha sido el que debía.

Las tablas podrían ser una excepción sólo si aparecen reproducidas con la indicación inequívoca del valor adoptado en proyecto, y además la tabla en sí puede ser útil como fuente de información para consultar posibles variantes que puedan hacer dudar a la hora de ejecutar el proyecto. Así, cuando hay un parámetro que por cálculo es difícil estimar y que conviene medir en la práctica (durante la puesta en marcha de la instalación), la tabla puede servir al director de obra para adoptar otros criterios si al medir dicho parámetro resultara un valor distinto del proyectado: la tabla incluida en el proyecto le evitaría tener que llevar la norma consigo. Pero en el resto de casos ocurre lo que con los textos: copiar la norma para rellenar es un demérito del proyecto.

 

16 de diciembre de 2013

Comenzando el apartado de anejo de protección contra incendios el punto B. normativa aplicada, ¿metemos toda la normativa contra incendios en edificios industriales? La tengo en casa de mi asignatura INSTALACIONES EN EDIFICACION impartida por Raúl Garcia Ovejero, pero son 127 paginas. la pregunta es si la meto al completo.

Lo realmente difícil es determinar cuándo un proyecto está realmente completo, no decidir si algo merece o no la pena estar dentro del proyecto. Mi consejo es que si se duda, no se ponga. Es decir, ante la duda de si tengo que incluir determinado contenido o no, la respuesta es que no.

La explicación es la siguiente: si se duda y queremos convertirnos en un técnico profesional entonces es que algo ya nos dice que ese contenido puede estar sobrando, y entonces efectivamente sobra y no se pone. Incluir "paja" y no "grano" es un demérito terrible. Sin embargo, si no se duda, se incluye el contenido y ya está. Si, por último, no se quiere ser un técnico profesional, entonces ¿qué hace Vd. estudiando ingeniería?

 

11 de diciembre de 2013

Acerca de mi proyecto de elevación de agua en el anexo de baja tensión existe el apartado G. protección contra descargas atosféricas.

mi pregunta es:

¿ que quiere que desarrolle? ¿la colocación de un pararrayos y las protecciones contra las sobre intensidades? porque de protecciones contra sobre intensidades ya lo expliqué el en punto d. cuadro general de control y protecciones

En efecto, la sugerencia es correcta. En el apartado D.d) se deben justificar (es decir, describir y calcular) las protecciones eléctricas del cuadro eléctrico, y entre ellas se pueden incluir descargadores de sobretensiones para disipar las tensiones peligrosas inducidas desde la red de alimentación.

En el apartado G. lo que se puede incluir es la protección de la instalación frente a descargas atmosféricas. Para ello, aparte de los conocimientos que puedan tenerse (asignatura Fenómenos de Campo por ejemplo) es posible acudir, como referencia, al Documento Básico DB-SU seguridad de utilización del Código Técnico de la Edificación, y según él:

  • Determinar la frecuencia esperada de impactos.
  • Calcular la eficacia de la instalación de protección requerida.
  • Diseñar la instalación de protección mediante alguno de los procedimientos contemplados por la norma (ángulo de protección, esfera rodante, malla).
 

4 de octubre de 2013

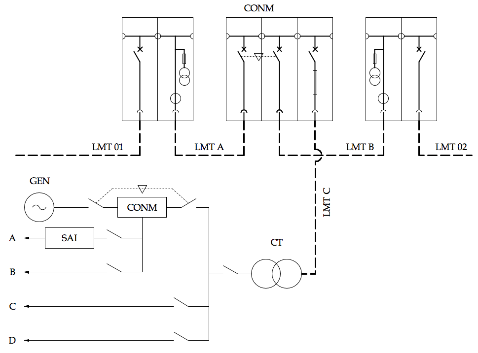
Estoy empezando a hacer el proyecto de instalaciones para los túneles de autopista y no sé muy bien cómo plantear la instalación eléctrica. ¿Hay algún esquema de bloques o algo parecido que me pueda orientar?

Pues sí. Según el Real Decreto 635/2006 y su artículo 2.19, es preciso proyectar un sistema de doble alimentación, que además incluya grupo electrógeno y sistema de alimentación ininterrumpida (SAI).

Una posible organización de todo ello podría ser la del siguiente esquema unifilar muy abreviado:

Croquis solución túneles

En esta propuesta de solución se han previsto los siguientes circuitos de alimentación en baja tensión:

  • A: para alumbrado, señalización y otros servicios de seguridad necesitados de suministro ininterrumpido y sin corte.
  • B: para alumbrado, ventilación y otros servicios necesitados de suministro ininterrumpido y corte breve.
  • C: para alumbrado, ventilación y otros suministros no críticos.
  • D: igual que C.

Esta solución no es probablemente la única, y cada uno deberá ajustarla según sus necesidades. Pero debería dar idea de lo que las normas exigen para una instalación de este tipo.

 

2 de septiembre de 2013

Mi proyecto es el restaurante con piscinas e instalaciones deportivas. En el esquema del proyecto, en el anejo de alumbrado exterior, existe un apartado nombrado "Ficha de cumplimiento de la ITC-EA-05". La instrucción técnica complementaria 5 trata sobre las verificaciones e inspecciones de las instalaciones eléctricas. A mi parecer, se debe elaborar un cuadrante en el que se reflejen las inspecciones periódicas de la instalación. ¿Estoy en lo cierto? ¿A qué se refiere este apartado?

No se trata de eso exactamente. El contenido de la documentación técnica que debe elaborarse para cumplir el Reglamento de eficiencia del alumbrado exterior está regulado en la ITC-EA-05, donde distingue entre proyecto y memoria técnica de diseño. Cuando se trate de proyecto hay que asegurarse de incluir los contenidos enumerados de la a) a la i) en el art. 1.1. Lo que piden mis propuestas de proyecto de fin de carrera es crear una ficha dentro del trabajo de cada alumno donde aparezcan esos contenidos, en el mismo orden y con la misma numeración, resumiendo los datos relativos a cada apartado. De esta forma se facilita al funcionario que ha de revisar la documentación la introducción de dichos datos en sus registros. Como ya dije el 26 de agosto de 2012, no hay un formato establecido para esta ficha, por lo que basta una lista en forma de tabla o algo parecido.

 

22 de julio de 2013

Estoy realizando el TFG de las "190 parcelas", para la convocatoria de Septiembre y debo entregarlo antes del 31 del presente. El motivo de mi consulta, es el siguiente:

¿Además del Proyecto completo en un único .pdf, debo preparar también resumen y presentación para su revisión por parte del tutor? Espero su respuesta y hacerselo llegar a la mayor brevedad posible.

En efecto, para que pueda emitir el informe del tutor al que se refiere la normativa universitaria (véase la pregunta de 04 de junio de 2012 en este foro) necesito ver el proyecto terminado. Lo más sencillo es, como digo en la página principal de esta asignatura, hacerme llegar un .PDF único con suficiente antelación.

El resumen se puede redactar siguiendo las orientaciones de mi respuesta de 24 de mayo de 2012 en este foro. No suelo revisarlo porque entiendo que es algo muy sencillo que todos los alumnos hacen suficientemente bien. Sin embargo, si quiere enviármelo también, podré echarle un vistazo.

Aprovecho la ocasión, no obstante, para recordar que la función principal del tutor es responder a las preguntas de los alumnos, y darles el asesoramiento que cada uno necesite. Ambas cosas requieren, evidentemente, que el alumno pregunte al tutor, bien por teléfono, bien por correo electrónico, o bien durante alguna tutoría colectiva. Los alumnos pueden solicitar la celebración de cuantas tutorías colectivas necesiten para algún contenido determinado por cualquiera de los medios anteriores.

 

3 de julio de 2013

Buenos días. De nuevo tengo una consulta que hacerle al respecto del proyecto.

Tengo una zona de jardín que quisiera iluminar con farolas LED independientes de la red alimentadas por baterías y un panel solar. Dentro del programa Dialux no veo nada similar para hacer un estudio aproximado, pero dispongo de las ISOLÍNEAS, que vienen proporcionadas por el fabricante. Según la tabla adjunta (página 3 del pdf que adjunto) para parques y jardines, serían necesarios entre 7 y 10 lux, con separación entre farolas de 4 a 6 metros. Con estos creo sería sencillo hacer un diseño que cumpla con los requisitos de la tabla superponiendo dichas isolíneas.

Considero además, que este pueda ser un caso especial tanto por la zona a iluminar (que quizás sea algo más ornamental que otra cosa) como por la independencia de la red y no tengo claro que deban aplicar todos los requisitos que sí aplicarían para el resto del alumbrado exterior (como pueda ser eficiencia y la calificación energética de la instalación).

Nada más leer su consulta he pensado en que más que un parque de árboles va a parecer un parque de farolas: cada 4-6 m una es muchísimo! Lo que me lleva a hacer una reflexión algo larga. Se trata de la inmensa tentación de aprovechar cualquier cosa que se ponga a tiro en internet para solucionar un problema. En este caso se trata de justificar con cálculos, pero sin tener datos, un alumbrado con lámparas led. Y se pretende aprovechar la tabla de la p.3 de un PDF hecho en febrero de 2008 y anónimo. ¿Se ha dado cuenta de que la fecha de creación del PDF es bastante anterior a la del vigente Reglamento de eficiencia energética en alumbrado exterior? ¿Y de que es un documento anónimo? ¿Qué autoridad le concede vd. entonces a dicho PDF? Yo lo único que aprecio en él es que está en español...

Seamos serios: si no hay datos luminotécnicos el Dialux es inútil. Y si además se carece de datos de los fabricantes, entonces cualquier solución basada en esos productos está injustificada. Pretender amparar un diseño en un PDF anónimo es realmente temerario. Y en este caso está mal. No son admisibles 7 lux de iluminancia mínima de ninguna manera. Estúdiese el Reglamento, compare por ejemplo con el nivel medio de alumbrado que corresponde a un pueblo y entonces verá lo que digo: si en calles para circular se piden 7.5 lux de media habiendo peatones y vehículos, ¿cómo se entiende que haya 7 lux como mínimo en un simple jardín?.

El Reglamento se aplica a todos los alumbrados exteriores, red o no, a partir de 1 kW de potencia instalada. Esa es la única exclusión posible de sus requisitos. Si hay más de 1 kW de potencia instalada, entonces debe cumplirse entero, empezando por su "objeto" (art.1) que es el de la eficiencia en el alumbrado. Por la limitación de potencia probablemente un alumbrado led no deba cumplir el Reglamento. Pero eso no justifica a ningún técnico de España a ser ineficiente y sembrar de farolas los jardines.

 

26 de junio de 2013

Para el proyecto me salen unos planos en A2, algún unifilar y planta, creo que no tendré problemas en entregar estos formatos.

espero su respuesta

Todo el mundo respeta el tamaño DIN A3 y generalmente a todos nos parece más práctico. Intente, por consiguiente, que los planos en otros tamaños sean la excepción y no la regla.

Recuerde que además la propuesta, que debe seguir y respetar, dice que "Los planos vendrán preferentemente delineados en blanco y negro. No se admitirán letras de menos de 2 mm de altura. Se evitará al máximo el despilfarro de papel." Estoy convencido de que en A2 se desperdicia siempre papel, por lo que es un despilfarro. Pero el alumno decide, ya que la propuesta es clara: "Preferiblemente se dibujarán sobre formato DIN-A3 apaisado."

En cuanto a lo de "espero su respuesta", si en algún caso pasan los días sin que aparezca una contestación en contestación a los correos, es cuestión de insistir o de llamar por teléfono. Lo más probable es que por exceso de trabajo no haya podido atender a nadie en unos días, pero son situaciones excepcionales.

 

20 de junio de 2013

Tengo asignado el proyecto del restaurante con piscina y zonas deportivas.

He leído la ITC-BT-28 y bastantes guías de aplicación de la misma para intentar comprenderla mejor y cada vez interpreto una cosa distinta. Lo que entiendo es lo siguiente:

1. Para las instalaciones del restaurante he calculado que tiene una ocupación prevista de 244 personas, sin contar el personal propio de la instalación (jardineros, camareros, cocineros...). En cualquier caso, al ser más de 100 personas, ya quedaría clasificado como de pública concurrencia.

2. El alumbrado de seguridad engloba dos alumbrados:

- El de seguridad, constituído por evacuación, antipánico y zonas de alto riesgo. No veo necesidad, por el tipo de trabajos que se van a desarrollar en la instalación de necesidad de incluir los requisitos del de zonas de alto riesgo.

- El de reemplazamiento, teniendo en cuenta que la iluminación será menor que la normal de trabajo, entiendo que será suficiente con lo que se calcule para el de seguridad.

Por último, si las luminarias instaladas cuentan cada una con su batería (que las mantiene en funcionamiento durante el tiempo requerido), ¿sería necesario un suministro alternativo, tipo grupo electrógeno?

1. Los criterios para clasificar un local como de pública concurrencia (ITC BT 28) son dos: en función del tipo de local y, si este criterio no se aplica, subsidiariamente en función de la ocupación calculada. Un restaurante o similar siempre es de pública concurrencia (primer criterio), luego no se aplica la ocupación. Una peluquería, un aparcamiento público, una tienda, por el contrario, son locales del tipo establecimientos comerciales no incluidos en el primer criterio, luego rige el de ocupación (más de 50 personas). El cálculo de la ocupación debe hacerse según los criterios de la norma CTE-SI, aunque para las zonas de público es necesario también aplicar el de la ITC BT28 de 1 persona por cada 0.8 m2 de superficie útil destinada a ser ocupada por personas ajenas al local. Las 50 personas de ocupación calculada deben ser personas ajenas al local, por lo que no se incluyen empleados ni personal del local.

2. Todos los locales de pública concurrencia deben contar con alumbrado de emergencia. Normalmente se trata de luminarias autónomas (batería propia) para asegurar la evacuación y evitar el pánico.

Cuando en los locales haya servicios de seguridad que requieran alimentación eléctrica, como grupos de bombas contra incendios, sistemas de extracción de humos de incendio, ascensores que se hayan de usar para evacuar a los ocupantes, centralitas de detección, sistemas de extinción y otros similares, entonces es obligatorio dotarles de alimentación supletoria, normalmente con baterías y grupo electrógeno. Hablaríamos entonces de suministros de socorro o de reserva, según la entidad de la necesidad a cubrir. Pero carecen de sentido si no tienen que atender ningún servicio de seguridad.

Por último, el proyectista puede apreciar la conveniencia de un grupo electrógeno si lo cree necesario para aumentar la fiabilidad de la instalación o mejorar sus prestaciones. En ese caso puede hacerlo, justificando esa necesidad para que queden claros los motivos de su decisión.

 

4 de junio de 2013

NOTA DE LOS TUTORES:

El proyecto de 190 parcelas pide alimentar en media tensión 4 centros de transformación, de 400 kVA cada uno, mediante una línea aérea [azul] y luego subterránea [roja] en doble circuito.

Como he advertido que no todo el mundo está familiarizado con esa disposición, he preparado un croquis para ilustrar el concepto. Se trata de conseguir insertar en la línea existente [negro] los 4 centros de transformación [verde] y que la línea continúe como iba. Esto se consigue mediante 2 celdas "de línea" (interruptores) en cada centro de transformación, una para entrada y otra para salida de la línea. Del embarrado horizontal común se cuelga una tercera celda "de protección de transformador" con un interruptor automático o con fusibles, y así se alimenta al transformador.

El croquis adjunto es una solución algo más original, porque cada centro de transformación aloja dos máquinas en lugar de una, pero el sistema es el mismo.

Croquis solución doble circuito
 

4 de junio de 2013

Me han surgido algunas dudas más (el proyecto que tengo asignado es el del restaurante con piscina y zonas deportivas):

1.- Para acceder al restaurante, tengo un vial de acceso. Lo que había hecho en principio era suponer que el alumbrado del vial pertenece al restaurante. ¿Puede hacerse así o ese tramo de alumbrado debería cederse al Ayuntamiento e instalar su propio contador?

2.- De la misma forma, la piscina que tiene el restaurante junto al edificio central, consideraba que pertenece al mismo dueño del restaurante. Sin embargo, en el "Anejo de instalación eléctrica de la piscina", dado en el "Esquema a seguir", se indica que tiene un contador. Supongo que no es un condicionante para el proyecto y que puede hacerse de la forma que he supuesto.

3.- He visto que en una parte de mi ciudad (...), se han instalado unas farolas autónomas que me han parecedo curiosas y me gustaría incorporarlas al proyecto para la iluminación de los "paseos" en el interior de la parcela del restaurante. Cada farola básicamente dispone de un panel solar y en el pie de la misma una batería. Me he puesto en contacto con varias marcas y no sé porqué hay cierta reticencia a enviarme información sobre detalles de montaje de las mismas, así como de la regulación que se puede hacer (imagino que quizás sea porque además de venderlas las monten ellos mismos). No sé si has trabajado con algo de este tipo y me puedes recomendar alguna empresa menos reacia a dar información.

1. La propuesta de proyecto no fija este asunto, pero sí dice que "...El resto de detalles no especificados en esta descripción podrán ser supuestos por el alumno, pero deberán asemejarse lo más posible a datos extraídos de la realidad..." Pues bien: en general los alumbrados públicos los asume, gestiona y mantiene el ayuntamiento correspondiente, y los gastos los pagamos nosotros. Pero eso significa, en este caso, que el promotor de la instalación y el ayuntamiento acordaron el regalo del primero al segundo de lo ejecutado, y que la alimentación eléctrica se obtiene de algún otro alumbrado próximo de titularidad municipal. En su proyecto puede optar por esta suposición, pero aclarándola y dando detalles de cómo se lleva a cabo. O puede suponer que el alumbrado queda en propiedad del restaurante, alimentado desde su instalación eléctrica. Ambas posibilidades se asemejan a la realidad.

2. El epígrafe V.F.a.3 de la propuesta está ahí para que el alumno recuerde explicar en su proyecto qué solución se le da al suministro, dónde está el contador y quién pagará el coste mensual. Caben las dos soluciones que comenté más arriba.

3. En alguna ocasión he asesorado a un fabricante de farolas de esas. En efecto, no son más que un equipo autónomo con panel fotovoltaico, cargador de baterías, batería y lámpara fluorescente (sistema eléctrico similar al de las omnipresentes luminarias autónomas de emergencia). Cuentan además con un interruptor crepuscular para activar el encendido cuando oscurece. La base es amplia para alojar la batería y permitir anclar la farola al dado de hormigón empotrado en el suelo con 4 pernos y "taco químico".

Cuento todo esto porque no sé de ninguna marca comercial, porque creo que todas son bastante artesanales, y porque un elemento de originalidad muy interesante sería que el alumno diseñara su propia farola con los elementos anteriores, que no lleva más. En la cabeza, la luminaria deberá ser alguna de las existentes, para lámpara fluorescente, con el objeto de poder aprovechar sus datos fotométricos e incorporarla al programa de cálculo luminotécnico de referencia (Dialux).

 

3 de junio de 2013

He realizado el cálculo aéreo de media tensión mediante el software IMEDEXSA, versión 12, para la parte de los cálculos de la línea aérea. Como es la primera vez que realizo este cálculo con este programa, me gustaría saber si está bien realizado, me faltaría adaptar los cálculos generados al anejo de media tensión, así como el plano de la instalación aérea. Adjunto cálculos para su verificación.

A la hora de realizar los cálculos el programa no ha detectado ninguna incidencia.

Es una pena que ImedexSA no haya sido capaz de respetar la notación del Sistema Internacional en sus tablas de resultados. Podría tener que responder algún comentario negativo a este respecto ante el tribunal. Pero si corrige a mano el PDF podría convertir este problema en un mérito para Vd., por haber mejorado el resultado que el resto de compañeros se limitan a reproducir.

Ignoro el funcionamiento del programa. Nunca lo uso. Pero me llama la atención que haya Vd. dado un tense al cable LA-56 que le obligue a poner apoyos en los extremos de 3000 daN (torres C-3000) en lugar de lo habitual (C-2000). Me explico:

1. El LA-56 tiene carga de rotura 1670 daN

2. Con el coeficiente de seguridad reglamentario mínimo = 3.00 esta carga se reduce a la tercera parte.

3. Como son tres cables, el esfuerzo máximo sobre la torre nunca superará el triple de la anterior, luego como máximo 1670 daN.

La duda es: ¿cómo puede pedir el programa 3000 daN de esfuerzo útil en punta si no hay más que tres cables que juntos no tirarán nunca más de 1670 daN? Si hubiera momentos torsores por ángulos, o momentos flectores inducidos por cúpulas con hilo de tierra, o más cargas de viento porque la torre está especialmente expuesta, lo entendería. Pero sin todo eso yo diría que está mal.

Además:

a. El primer apoyo (tipo "estrellamiento" porque estará bajo línea existente) no lo veo estudiado. Generarlmente es del mismo tipo de los de la línea existente.

b. El primer vano (tras dicho apoyo) es siempre vano flojo, mide apenas 10 m y termina en el auténtico principio de la derivación (que será apoyo tipo "fin de línea", una torre C-2000).

Revise los cálculos del programa y asegúrese de comprender sus resultados. Y si no es capaz, utilice los datos que la aplicación le proporcione para resolver a mano el problema, igual que cuando estudió la asignatura correspondiente de la carrera. El peligro de utilizar programas tan potentes es que uno queda cada vez más limitado.

 

11 febrero 2013

Quería saber de cuanto tiempo dispongo para defender el proyecto, como será y que debo incluir en la presentación. Es muy importante que me respondan con algo por que no se como hacerlo. En secretaria solo me han dicho que tengo 20 min y que haga un resumen.

Los tutores también podemos orientar acerca de cómo presentar adecuadamente el proyecto. Las reglas básicas que conviene tener en cuenta son:

  • Prepare su presentación para que, al ensayarla, no le ocupe más de 15 minutos. De esta manera el día del examen se encontrará mucho más confiado y seguro de poder hacerlo en el plazo que le marque el tribunal que, en efecto, suele ser de 20 minutos (aunque por diversas circunstancias alguna vez ha sido menos).
  • Es costumbre acudir bien vestido, los hombres con traje y corbata, las mujeres con... Bueno, muy guapas.
  • También es costumbre utilizar soporte visual para la presentación. Para ello es muy conveniente que el alumno lleve un ordenador con salida VGA que pueda proporcionar la señal de vídeo en color al proyector de la sala. La sala únicamente cuenta con un atril para colocar dicho ordenador, toma de corriente, y el cable de vídeo del proyector en el techo. Todo lo demás debe llevarlo el alumno.
  • Habitualmente la presentación se apoya en una serie de pantallas con texto y fotografías o gráficos, que el tribunal mira a la vez que escucha al alumno que defiende su trabajo. Las precauciones básicas que hay que observar al preparar este soporte gráfico son:
    • Respetar una cadencia aproximada de 1 ó 1.5 pantallas por minuto. Por tanto, para 15 minutos, son necesarias únicamente entre 15 y 23 pantallas, no más.
    • El texto debe ser siempre legible, lo que implica no introducir palabras con tamaño de letra pequeño. En caso de duda, aumente el tipo de letra.
    • Los efectos especiales (barridos, centelleos, llamaradas...) dan poca seriedad a la presentación y aburren a la larga. Sea sobrio y no trate de deslumbrar al tribunal con efectos especiales. No repercutirá en la nota.
    • No introduzca demasiada información en cada pantalla, pues corre el riesgo de que el tribunal la lea y no le preste atención.
    • Y la REGLA DE ORO de las presentaciones: no las utilice de "chuleta" para poder leer lo que va a decir. Al contrario: que el tribunal vea contenidos relacionados con lo que el alumno dice, pero que sirvan realmente de algo, es decir, para entender lo que se dice, y que no coincidan exactamente con lo que se dice. El error está en que el alumno lea lo que ya pone en la pantalla porque entonces ¡alguno de dos sobra!
  • En cuanto al contenido de la presentación:
    • Trate de exponer al principio, en 5 minutos, todo su trabajo, de manera que quede clara su envergadura y el esfuerzo que ha supuesto. Destaque si aporta algún contenido extraordinario, o no pedido en la propuesta, o algún contenido original, que luego explicará.
    • En los siguientes 10 minutos llame la atención del tribunal sobre aquellas partes de su trabajo sobre las que se sienta más satisfecho o de las que esté más orgulloso, bien por el esfuerzo que le han supuesto, bien por el resultado que ha alcanzado.
    • Comprenda que el tribunal probablemente ya conozca el proyecto por haber sido defendido anteriormente por uno o muchos compañeros suyos. Luego trate de informarle de algo novedoso, que probablemente los miembros no sepan, o manifieste su dominio de alguna parte en especial.
    • No pretenda resaltar todo el contenido del trabajo en 15 minutos. Es evidente que no es tiempo suficiente, y por ello es evidente que no es el objetivo del examen de defensa. El objetivo es que el tribunal compruebe que el alumno ha realizado personalmente su proyecto, y eso se debe inferir del dominio del mismo que se demuestre en el acto de defensa. Ese es el propósito de la presentación que hace el alumno: demostrar que el proyecto lo ha hecho él porque lo conoce tan íntimamente que no cabe otra conclusión.
    • Por supuesto, lo anterior no es excusa para hacer una mala presentación. Al contrario, una buena presentación mejorará la calificación final.
  • No se preocupe en exceso por las preguntas que luego puede hacerle el tribunal. Su objetivo suele ser que cada profesor afiance la calificación que, tras el examen del trabajo presentado y tras escuchar su presentación, probablemente ya tiene decidida.
  • Sin embargo recuerde que, aunque lo que se va a juzgar es sobre todo su trabajo (para lo que la presentación es importante), también es necesario saber defender lo que se ha hecho en el turno de preguntas. Por ello es necesario que el alumno conozca realmente su proyecto.
  • Por último, controle sus nervios. Así no necesitará tener suerte.
 

5 febrero 2013

Acerca del cálculo de las secciones mediante la hoja de cálculo que nos facilitó en las tutorías, para calcular la secciones de la línea de baja tensión, la línea que alimenta a 10 viviendas y al edificio social, cable tipo RV de aluminio 0,6/1 kV aislamiento XLPE y cubierta PVC, para el tipo de configuración he optado por la 1, el problema lo tengo al asignarle una sección a las acometidas de 50mm2 ya que no me aparece ninguna intensidad máxima para está sección. La solución sería cambiar a otra configuración o ponerle un valor a la intensidad máxima para la sección de 50 mm2.

La hoja de cálculo y su manual de uso se pueden descargar también de entre los materiales ofrecidos por los tutores en esta misma página.

La hoja no está protegida, lo que significa que puede ser sometida a revisión por parte del alumno, que debería analizarla para comprender cómo funciona. La información teórica contenida en su manual le resultará muy útil para ello.

En cuanto a la consulta concreta, puede verse que la columna de configuración determina la columna de la tabla de intensidades máximas que la hoja tendrá en cuenta para cada circuito. Luego introduciendo los datos necesarios en esa tabla de intensidades máximas se puede conseguir que la hoja responda como se desee ante cualquier tipo de cable o sección. Así que la respuesta es: modifique la hoja como sea necesario. Y comento además: este es otro de los objetivos que los tutores perseguimos, esto es, conseguir que el alumno adquiera soltura al utilizar hojas de cálculo, de cuya utilidad en ingeniería estamos más que convencidos.

 

5 febrero 2013

Otra duda que también tengo a la hora de introducir datos es acerca del factor de simultaneidad que se debe utilizar en cada caso, para línea de distribución de baja tensión e utilizado fs=1 es correcto así?, mientras que en el alumbrado le pongo un fs de 1.8, pero al calcular las secciones de el edificio social se debe usar algún factor de simultaneidad en él o se le quedaría 1?

El correcto uso del factor de simultaneidad al calcular redes ramificadas es un asunto que no puede explicarse en un foro como este, pues requeriría varias clases completas.

En general sus soluciones son correctas, sobre todo porque utiliza factores de simultaneidad de 1.00 e incluso superiores (1.80 para tener en cuenta el mandato del art. 3 ITC BT-09), lo que no plantea ningún riesgo. Pero la auténtica utilidad del factor de simultaneidad se manifiesta cuando el proyectista asigna valores inferiores a la unidad. En ese caso sí se corre el riesgo de que la instalación no sea capaz de proporcionar toda la potencia que pudiera requerírsele. Pero ese inconveniente se hace mínimo cuando se razona sensatamente hasta qué valor de potencia simultánea debe ser necesario llegar en situaciones reales. Eso requiere inteligencia y algo de práctica.

Una posible respuesta a su pregunta podría ser esta: si no considera sensato reducir la potencia suministrada utilizando factores de simultaneidad menores que uno, entonces utilice el valor de uno, y corra el riesgo de que le critiquen por haber sobredimensionado la instalación.

 

5 febrero 2013

Respecto al plano del edificio social quiero saber si es correcta la forma en la que he asignado los conmutadores e interruptores a los puntos de luz, ya que no he hecho uniones con trazos sino que lo he indicado mediante números.

El aspecto de los planos es algo muy personal. Pero en su caso ha quedado todo muy claro, que es uno de los objetivos a lograr. Además recuerde que la leyenda y los textos que se añadan pueden contribuir a aclarar cualquier tipo de notación que se desee emplear. Preocúpese de que cualquiera pueda entenderle y el resultado será perfecto.

 

4 septiembre 2012

Tengo una instalación de 340 kW. Voy a instalar una caja de protección y medida CMT-750E-I como me aconsejó. El problema es que estás cajas no traen protección (si no he entendido mal la información del suministrador). Se me ocurre como solución instalar junto a la CMT-750E-I un armarios de seccionamiento, pero los que encuentro de Iberdrola sólo incorporan fusibles de hasta 400 A, y los necesito de 630 A. Es para instalar a la intemperie (en la pared que limita la parcela), no se si conoce algún modelo que cumpla los requisitos, o tengo que optar por otra solución.

¿El pequeño tramo de conductor que uniría ambas cajas se consideraría una especie de LGA? Hay que justificarlo como tal, hacer todos los calculos,etc.?

Si necesita una solución para 340 kW en baja tensión efectivamente es preciso colocar un armario para 750 A, y la referencia que indica es la de la norma Iberdrola. La protección fusible, sin embargo, se diseña en función de las líneas que saldrán de ese conjunto de medida. ¿Va a proyectar una única línea? Eso no es muy usual y puede pensar en dos, colocando un pequeño módulo que aloje en su interior dos juegos trifásicos de bases portafusibles de 400 A cada una, y luego evacúe la potencia hacia dos cuadros de la instalación receptora mediante dos líneas generales, por ejemplo de aluminio de 150 mm2. La otra opción es una sola línea de los mismos conductores pareados, es decir, saliendo ambos de un solo juego de bases portafusibles de 630 A, que llegan a un único cuadro general de la instalación receptora. Seguro que no le costará mucho encontrar un equipo de esta clase, aunque probablemente deberá buscar las bases portafusibles en un fabricante y el módulo que las aloje en otro.

El conductor que hace de puente entre el conjunto de medida y estos fusibles será el mismo que ya diseñó y calculó para servir de puente entre el trafo y el conjunto de medida, así que no creo que sea necesario repetirlo todo otra vez.

 

4 septiembre 2012

Iluminación interior: Los valores mínimos de iluminancia los obtuve del db sua y del db he, siendo de 100 lux con uniformidad de 0.4. Serian valores mínimos ¿verdad?

El bar que diseñé tiene dos plantas, la de abajo me da una iluminación media de 217 lux y la de arriba de 74 lux ya que he hecho el calculó por separado de las dos plantas. No se si será correcto todo lo realizado o si tengo algún fallo, esa es mi pregunta.¿La iluminación media de la planta superior también debe ser mayor de 100 lux o puedo dejarlo como una parte menos iluminada y no superar ese valor?.

Supongo que se refiere al Código Técnico de la Edificación, documentos SU - Seguridad de utilización (alumbrado mínimo para poder usar los edificios sin riesgos) y HE - Ahorro energético (eficiencia en iluminación). En el caso de iluminar el interior para conseguir seguridad de utilización, sí, se trata de valores mínimos, como deja bien claro el art. 1 del CTE-SU 4. Pero en el caso de eficiencia, no encuentro referencia alguna a valores en el HE 3. La cifra de 100 lux que aparece es simplemente una base de ponderación de resultados para obtener el índice de eficiencia VEEI, pero no implica nivel luminoso alguno. Éste debe salir de la norma UNE 12464.1 por ejemplo.

Iluminar el interior de un restaurante o un bar es labor más de decoración que de ingeniería. Las zonas de circulación deben tener como mínimo 75 lux en escaleras y 50 lux en resto de zonas (CTE SU 4), pero la norma UNE no determina nada para salas en las que se pretende crear una atmósfera especial. Si se trata de autoservicios, entonces sí recomienda una cifra, 200 lux concretamente. Y en las cocinas se establecen 500 lux en la misma norma.

 

4 septiembre 2012

Como ustedes comentaron en el foro, los valores de las tablas de la ITC-EA-02 son valores máximos y no mínimos por lo que es una errata. Mi instalación es de alumbrado vial ambiental (CE2) por lo que el valor de la iluminancia debe ser inferior a 20 lux. Pero en el caso de la uniformidad (que el valor es de 0,40), este valor ¿debe ser máximo o mínimo?

La verdad que no puedo comprender que este valor sea máximo ya que entonces con una luminaria se llegaría a cumplir el valor de la iluminancia. Ademas, en el apartado 1 de la iITC-EA-01: "Los niveles máximos de luminancia o de iluminancia media de las instalaciones de alumbrado descritas a continuación no podrán superar en más de un 20% los niveles medios de referencia establecidos en la presente ITC. Estos niveles medios de referencia están basados en las normas de la serie UNE-EN 13201 “Iluminación de carreteras”, y no tendrán la consideración de valores mínimos obligatorios, pues quedan fuera de los objetivos de este Reglamento".

Por lo que yo entiendo es que el valor de la tabla (que seria el mínimo, en mi caso 20 lux) más el 20% (seria 24 lux de máximo) seria el valor máximo de iluminancia de la instalación. Yo es lo que entiendo en este párrafo que es el que ustedes pusieron en el foro. Por favor explíquenme donde me equivoco porque no lo termino de comprender. Se que Internet no es una fuente muy fiable pero he visto varios trabajos donde utilizan como valor mínimo el de 20 lux, aunque también pueden estar confundidos.

Estoy acostumbrado a lidiar con las reticencias de los técnicos y no técnicos a considerar como máximos los niveles de iluminación del Reglamento. Parece como que no poder pasarse de un nivel molesta. Pero siento reiterar, y con total contundencia además, que no está bien diseñada una instalación alumbrado cuyos niveles de iluminación en servicio y con mantenimiento queden por encima de los niveles del Reglamento.

No importa cuántos ejemplos haya en internet de lo contrario. No importa que el Dialux siga calificando con una X roja los resultados por debajo del nivel y con una √ verde los que están por encima. Lo hace mal y es justo al revés. Los niveles son máximos y no se sobrepasarán.

La uniformidad no son los niveles. La uniformidad es la relación entre los niveles mínimos y medios conseguidos en el diseño del alumbrado. El Reglamento no considera fallo no lograr los valores de uniformidad recogidos en sus tablas, pero los fija para que los proyectistas produzcamos resultados de calidad aun a pesar de limitarnos los niveles máximos de iluminación. Es decir: los niveles en lux o candelas por metro cuadrado son máximos, y la uniformidad hay que procurar conseguirla a pesar de todo.

Conseguir la uniformidad sin pasarse de los niveles máximos del Reglamento implica ajustar la iluminación media por debajo de los mismos, y controlar a la vez que la iluminación mínima no sea demasiado pequeña, para que la relación entre ambas se mantenga alrededor, y deseablemente por encima, de los valores de uniformidad correspondientes. Esto convierte a la uniformidad en valor mínimo.

Así las cosas, los niveles de iluminación en lux o cd/m2 son máximos que no hay que sobrepasar, y los valores de uniformidad son mínimos que se debe procurar alcanzar y, si se puede, sobrepasar.

 

4 septiembre 2012

Una pregunta acerca del alumbrado exterior. La potencia total de la instalación, ya que he puesto lamparas tipo LED, es de 990 W por lo que no se si podria utilizar el reglamento de alumbrado exterior, ya que por 10 W no llega al 1 kW. En caso de no poder utilizarlo ¿me puede decir qué reglamento debería utilizar?

Si la potencia instalada no supera los 1 000 W entonces no es necesario justificar el cumplimiento del Reglamento de eficiencia energética en alumbrado exterior, pero eso no significa que se deba renunciar a su aplicación voluntaria si se desea.

Alternativamente pueden utilizarse las recomendaciones del IDAE sobre alumbrado exterior, que coinciden con el contenido del citado Reglamento.

Así que le recomiendo que trate de cumplir el Reglamento si puede, y especifique que lo hace de manera voluntaria, pues no es preceptiva su aplicación por debajo de 1 kW de potencia instalada.

 

30 agosto 2012

En relación con la respuesta en el foro del día 28 de agosto, sobre la centralización de contadores y la instalación fotovoltaica: considerando el caso de haberle cedido el centro de transformación a la compañía, se instalaría una centralización de contadores con el contador de la instalación de baja tensión y el contador de la instalación fotovoltaica, ¿es correcto? Pero la instalación fotovoltaica tendría que enganchar en un punto distinto de la red, una linea de BT cercana que la compañía autorizara. ¿Puede haber una centralización con contadores de distintas líneas? ¿Hay que tomar alguna otra medida? ¿El resto de instalación en BT queda igual que si fuera una CC normal?

Veo que la cuestión requiere nuevas aclaraciones. En efecto, lo que ocurriría en la realidad es que el segundo contador, el de la generación fotovoltaica, se conectaría a una línea de BT cercana si la hubiera, y de no haberla, sería inviable toda la instalación fotovoltaica, no se podría cumplir el CTE, y las consecuencias que ello acarreara las desconozco. Por eso en la respuesta que di el pasado 28 de agosto terminé diciendo: "...para simplificar, daremos por sentado que se cede la instalación en alta tensión y CT, y que se coloca sin problemas el segundo contador en la red de baja tensión que, a su vez, sí cumplirá también con la normativa particular de la distribuidora en cuanto a fusibles de salida en BT, líneas, acometidas y contadores, igual que en el proyecto de las 20 parcelas".

Lo que quise decir, por si no quedó claro, es que cediendo el CT y sus salidas de baja tensión a la empresa distribuidora (y suponiendo que ésta lo aceptase) la parte de baja tensión se convertiría por ello en red pública y, en consecuencia, ahí se podría conectar la instalación fotovoltaica sin más complicaciones que intercalar el contador correspondiente. En ese caso habría dos contadores: el de consumo y el de generación. No necesariamente concentrados o "centralizados", como dice la pregunta, aunque probablemente estuvieran uno al lado del otro. Así que, repito, esta es la solución que podrán contemplar en el Proyecto / Trabajo los que se enfrenten a este problema: CT y salidas BT cedidas a la distribuidora, y conexión en BT de ambos abonados, el de consumo y el de generación.

 

30 agosto 2012

NOTA DE LOS TUTORES:

Estamos revisando los Trabajos Fin de Grado que se van a entregar antes del próximo 4 de septiembre y queremos comentar la frase siguiente que ha aparecido ya en varios:

Acerca de los niveles de iluminación a respetar en el alumbrado exterior, "Estos niveles medios de referencia están basados en las normas de la serie UNE-EN 13201 “Iluminación de carreteras”, y no tendrán la consideración de valores mínimos obligatorios, pues quedan fuera de los objetivos del REGLAMENTO DE EFICIENCIA ENERGÉTICA (RD 1890/2008)."

Dudo que nadie entienda qué quiere decir con exactitud, y esto es el primer defecto que se debe evitar en todo Trabajo / Proyecto: que no se entienda con total claridad lo que se quiere decir.

La frase suena peligrosa: parece indicar que el proyectista decide saltarse la esencia del Reglamento de eficiencia energética, que obliga a NO SUPERAR los niveles de alumbrado que se fijan como referencia MÁXIMA en cada una de las situaciones de proyecto. Pues bien:

  • El Reglamento se aplica siempre que se trate de un alumbrado exterior de más de 1 kW de potencia instalada, salvo que se trate de minas, usos militares, tráfico, balizas, faros, y otros.
  • Su art.4 obliga a no superar los niveles de iluminación previstos en la instrucción técnica correspondiente.
  • Los proyectos que vulneren ese requisito conducirán a instalaciones con defecto leve, grave o muy grave, por superar en más del 15%, 30% ó 50% los niveles máximos anteriores.
  • La norma UNE 13201 también se diseñó para indicar valores máximos.

En consecuencia, el Reglamento es de aplicación obligatoria, y pasarse de los niveles que prescribe es un error de proyecto que debe corregirse antes de su presentación.

Por último, y no menos importante: la frase que comentamos está copiada literalmente del art.1 ITC EA 02 del Reglamento, y se halla totalmente fuera de contexto en los Trabajos / Proyectos. Por eso no se entiende qué quiere decir, y es que en el Reglamento significa justo lo que hemos dicho, pero en el proyecto dice que no se cumplirán los valores del reglamento y que no son mínimos, justo lo contrario de lo que es. Así que cuidado con copiar indiscriminadamente de las normas legales: aparte de que no aporta nada en un proyecto, que lo que debe hacer es concretar la aplicación de la norma y no repetirla, es muchas veces fuente de confusión por las incongruencias que introduce en el conjunto del proyecto. Y se nota de lejos quién copia de la norma, lo que desmerece el trabajo muchísimo.

Nota añadida: de ninguna manera se puede considerar que el Reglamento determine valores de iluminación mínimos y no máximos. Las tablas 6 a 9 de la ITC EA 02 recogen esos valores y dicen que son valores "mínimos" en servicio con mantenimiento, pero es una errata y debe decir valores "máximos" en servicio con mantenimiento. Esto se demuestra, aparte de con todos los argumentos dichos más arriba, con el art. 1 del mismo Reglamento: "NO es objeto del presente reglamento establecer valores mínimos para los niveles de iluminación..." Por tanto, las tablas recogen valores máximos, como ya he dicho.

 

28 agosto 2012

Me gustaría hacerle una consulta acerca del proyecto de Restaurante con piscina, etc... Revisando las especificaciones particulares para instalaciones de enlace de IBERDROLA, me he dado cuenta de que estoy obligado a poner dos CGP, debido a que con una solo se llega hasta 249 kW y yo necesito 350 kW. Voy a sacar dos lineas del CT, una a cada CGP. Mis preguntas son:

1) ¿A partir de ahí cómo se resuelve la Centralización de contadores para tres contadores? ¿Tengo que colocar un Interruptor General de Maniobra para una de las dos líneas procedentes de su CGP? ¿y a partir de ahí llevo (previa colocación de los fusibles de seguridad) una línea a dos contadores y otra al otro contador?

2) Como se denomina el tramo que hay entre la salida en BT del CT y la CGP? El esquema incluido en la GUÍA-BT-19 lo llama acometida pero porque parte de un CT de la compañía. En este caso podríamos distinguir entre la acometida en MT, antes de nuestro transformador y Acometida en BT a la salida del CT?

Creo que conviene hacer una aclaración general antes de contestar a las preguntas. Las propuestas de proyecto (restaurante y gasolinera, no 20 parcelas) especifican en la p.2 que sólo se cederá a la empresa distribuidora el origen de la derivación aérea hacia la instalación del cliente, porque al tratarse de una extensión de red para un solo abonado, la legislación vigente no obliga a la distribuidora a asumir su propiedad (y la distribuidora nunca lo hará, pese a que se le quiera regalar). En consecuencia, sólo se aplicarán las normas particulares al origen de la derivación (apoyo de entronque con la línea existente y apoyo con XS marcando límite de propiedad). El resto de las instalaciones deben cumplir la normativa común, es decir, el Reglamento para Líneas de alta tensión, el de Centros de transformación, y el de Baja tensión.

Si se quiere respetar la normativa particular también en esas otras partes de la instalación, que sea por una "buena causa". Me refiero, por ejemplo, a la posibilidad de que en el futuro se pueda dar suministro a un segundo abonado desde el CT que se instale. En este caso, el CT y la derivación en alta tensión que lo alimenta deben pasar a propiedad de la distribuidora, que únicamente los aceptará si cumplen con su normativa particular.

La red de baja tensión a partir del CT es ya otra cosa. En los proyectos (restaurante y gasolinera) se pide una única línea hasta el cuadro general. Si se cree necesario, pueden ser dos o más líneas, pero habrá que justificar la razón por la que se instalan. Aunque más importante es la cuestión del contador: si hay un solo abonado solo puede haber un contador, excepto otro más si se monta generación fotovoltaica en cubierta (*). Por ello, la configuración a adoptar debe ser la siguiente:

Trafo 250 kVA -> puentes BT -> módulo de barras para transformadores de intensidad y contador 63 A -> uno o más juegos trifásicos de protecciones fusibles (160 - 250 - 400 A) -> dos o más líneas de salida (tantas como juegos de protecciones fusibles se hayan colocado). Los módulos de barras para contador comercialmente disponibles pueden ser de hasta 200 kW (el más utilizado) y el siguiente de hasta 500 kW aprox. Pueden localizarse en internet bajo las referencias CMT300E y CMT750E respectivamente.

En cuanto a la denominación de los tramos, nunca le he dado demasiada importancia, pero yo diría que cada línea de BT que llega hasta la carga es una línea general de alimentación (LGA), y que todo lo que haya antes puede ser acometida o simplemente puentes de baja tensión si están dentro del CT.

(*) Al colocar el segundo contador, la instalación debe ser cedida a la distribuidora porque conecta a dos abonados distintos (dos puntos de conexión). En la realidad habría grandes dificultades en que la distribuidora aceptara la cesión de la derivación en alta tensión y el CT, aun a pesar de haberlos ejecutado cumpliendo escrupulosamente su normativa particular, y es que no suelen quedarse con CTs en los que no haya al menos dos suministros de "consumo" auténticos (y la generación fotovoltaica no es "consumo" en este sentido). Pero esto en el Proyecto/Trabajo Fin de Carrera no debe preocuparnos, y para simplificar, daremos por sentado que se cede la instalación en alta tensión y CT, y que se coloca sin problemas el segundo contador en la red de baja tensión que, a su vez, sí cumplirá también con la normativa particular de la distribuidora en cuanto a fusibles de salida en BT, líneas, acometidas y contadores, igual que en el proyecto de las 20 parcelas.

 

27 agosto 2012

Ubicación del contador en el CT: Estoy haciendo el proyecto de la gasolinera, y no sé dónde colocar el contador. La propuesta pide un CT aéreo, luego no puedo poner celda de medida (como sí haría si hubiera elegido la propuesta del restaurante y tuviera un CT superficie en edificio prefabricado). Sé que bastará con poner un contador en el lado de baja tensión, pero no entiendo cómo puede tratarse de un suministro en alta tensión con el contador en el lado de baja tensión.

La solución está contemplada en la regulación vigente sobre tarifas eléctricas. He extraído de unos apuntes míos de hace años (PDF 625 kiB), basados en parte de mi proyecto fin de carrera de hace aún más años, el resumen de cómo se haría, las condiciones a cumplir, y un ejemplo de cálculo (precios no actuales) del coste del suministro. Los fundamentos descritos continúan siendo válidos.

La clave está en el cálculo del coste del suministro: se repercuten al abonado las pérdidas del transformador y así el suministro puede contratarse como si fuera en alta tensión (precios menores) aunque el contador esté en el lado de baja tensión. Así están, por ejemplo, todas las instalaciones de riego en el campo, cuyas electrobombas se alimentan de la red de distribución en alta tensión mediante un pequeño CT en intemperie sobre apoyo.

 

26 agosto 2012

ALUMBRADO PÚBLICO:

1- -He diseñado una instalación de alumbrado vial con luminarias de LED's. Para calcular el factor de mantenimiento de la instalación, los factores FDFL, FSL y FDSR establecidos en las tablas, no contemplan el caso de LED's. ¿Dónde puedo encontrar referencia de los mismos?.

2- Etiqueta energética: para calcular las emisiones de CO2, he buscado mucho por internet, y encuentro valores muy diferentes acerca de la emisión en kg de CO2/kW-h. La fuente que me ha parecido + fiable sería 0,273 kg CO2/kW-h. ¿Qué le parece?.

3- En mi caso, por el tipo de vías, tipo de proyecto D3-D4, sólo calculo Iluminancias, no luminancias. El dato de la uniformidad (%) requerido para la etiqueta, en este caso no sería necesario rellenarlo, no?.

4- ¿Cómo calculo el FHSins ?. He utilizado el Dialux para el cálculo y no encuentro ese dato.

5- ¿Qué tipo de regulación sería aconsejable para este tipo de alumbrado?, ¿En cabecera o individualmente en las luminarias?.

6- Para el apartado "Ficha de cumplimiento de la ITC-EA-05, sería válido el rellenar el documento que le adjunto?.

1. Es difícil, como ya he dicho, aplicar el Reglamento a luminarias LED. Este sería un ejemplo: los datos que dice no está contemplados en él para dichas luminarias. Se pueden utilizar datos de los fabricantes, pero he de confesar que yo aún no los he encontrado (ni tampoco me dedico a buscarlos, porque como dije en tutorías, creo que la tecnología LED supone todavía un riesgo que no sé cómo afrontar con suficientes garantías).

2. Me parece que debe buscar en las publicaciones de Red Eléctrica de España, o también de UNESA, y citar la fuente del dato que elija utilizar, cualquiera que éste sea. El que propone viene a ser la mitad del que utilizo yo, que está basado, a su vez, en el cálculo que hice a partir de la contribución a las emisiones de CO2 de cada tipo de central, ponderado por la capacidad de generación de cada tipo instalada en España.

3. No es necesario logar cierta uniformidad para cumplir el Reglamento vigente, pero sí lo era para cumplir las recomendaciones IDAE en las que éste se basa. En dichas recomendaciones sí aparecen niveles de uniformidad, que no suelen bajar del 20%. En general, una iluminación está mejor conseguida cuanto mayor sea su uniformidad, con independencia del nivel de iluminación (lux) logrado. Es porque el ojo humano se adapta a la poca o mucha luz (nivel de iluminación) pero sufre con las alternancias de claro-oscuros (uniformidad).

4. Los factores relativos a la luminaria pueden deducirse de su código CIE Flux normalizado, que sí se obtiene del Dialux. Luego, sólo es cuestión de interpretarlo. En esta dirección tiene cómo hacerlo.

5. La regulación en cabecera es incomparablemente más ventajosa que la que se efectúa en cada luminaria. Lo explico en este PDF de mis apuntes de Tecnología Energética (p. 41 y siguientes).

6. No hay un formato o formulario tipo para dicha ficha. En el PDF al que se refiere el enlace anterior aparece un ejemplo (p. 61-62). Basta con que se relacionen todos los datos que pide el Reglamento en la ITC EA 05.

 

26 agosto 2012

BAJA TENSIÓN:

1- En el apartado C- 2 "Clasificación de la instalación", ¿a qué se refiere?

2- En el apartado D-1- " Disposiciones constructivas", entiendo que es definir el tipo de módulo y la composición de aparamenta, no?

1. A los distintos tipos de instalaciones especiales (ITC BT 28 y siguientes) si es que procede clasificar la instalación dentro de alguno de ellos.

2. Los detalles constructivos son todos los necesarios para identificar sin ambigüedades cuál es la solución prevista, desde el punto de vista de la ejecución y la selección de materiales o equipos.

 

26 agosto 2012

MEDIA TENSIÓN:

1- Puesta a tierra de las autoválvulas; ¿Se puede conectar a la tierra del apoyo dónde está situada?, no me queda claro lo que se especifica en el ap. 7.2.4 del Rto de LAT, o ¿hay que disponer una p.a.t. exclusiva para ella?

2- En el último apoyo de mi línea coloco los XS y autoválvulas. ¿Es correcto?. He observado en ciertas líneas reales y modernas, que se han colocado los XS en el penúltimo y las autoválvulas en el último.

3- He situado seccionadores XS en el primer apoyo. Para dimensionar los fusibles, he supuesto que sería suficiente con 25 A que es lo que me sale en los fusibles del CT aunque la capacidad de transporte de la línea sea superior. ¿Es correcto?. Deduzco que cuando la línea sea propiedad de Iberdrola, si fuera necesario será la compañía la que los modificaría.

4- En el CT, he previsto una celda de salida para posible conexión en bucle en un futuro, es correcto?.

5- Según MT 2.11.01 el CBT tendrá que ir dotado de 6 salidas y así lo he calculado, aunque en mi distribución de líneas sólo utilizo 4 debido a las dimensiones de las instalación, justificando el resto para futuras ampliaciones.

6- Respecto a la protección de la avifauna. No lo he considerado, ya que entiendo que según el RD 1432/2008 y la orden MAM/1628/2010 y según el trazado por donde línea transcurre no es de aplicación. ¿Es así??

1. A la tierra del apoyo está bien.

2. Las autoválvulas se colocan justo en el inicio del cable subterráneo. Es también un buen lugar para colocar los XS de protección de dicho cable y del CT posterior. Las normas particulares contemplan esta configuración.

3. Establezca cierta selectividad en los calibres de las protecciones: si los primeros XS (que están al inicio de la derivación) son de 25 A, entonces la protección fusible del transformador que sea algo inferior, por ejemplo 20 A, para intentar así que en caso de cortocircuito en el CT fundan solo los fusibles inmediatos a él, y no los del inicio de la derivación.

4. Prever (y facilitar) una ampliación de la red siempre está bien.

5. La configuración del cuadro de salidas BT en las normas Iberdrola es una cuestión delicada, pues hay muchas alternativas distintas (según la versión del documento de que se trate) y en cada zona, además, se interpretan de una manera diferente. Un conjunto de hasta 6 salidas entra dentro de lo razonable, aunque probablemente hubiera bastado con uno de solo 4.

6. Justifique lo que afirma sobre la protección de la avifauna. No deje sin más el correspondiente apartado en blanco.

 

26 agosto 2012

Estoy realizando el proyecto de las parcelas. He diseñado la instalacion de alumbrado con lámparas de LED. Como estas lámparas siempre estarán al 100% y no habrá deslumbramientos en la calzada, ... ¿como relleno el anejo correspondiente o no podría realizarlo con este tipo de luminaria?

Realmente es incómodo aplicar el Reglamento de eficiencia energética en instalaciones de alumbrado exterior a las luminarias basadas en LEDs. Ignoro si las herramientas habituales de cálculo (DiaLux) ofrecen ya datos suficientes. Si ve que es difícil, o que las incertidumbres en el cálculo superan lo razonable, no se empeñe demasiado y utilice las lámparas de vapor de sodio a alta presión (luz anaranjada) habituales, con las que no tendrá ningún problema. Y además conseguirá optimizar muy bien la instalación, siempre que no se empeñe en iluminar por encima de los niveles necesarios y se acuerde de prescribir un sistema de ahorro nocturno.

 

26 agosto 2012

En mi caso tengo una isntalcion un poco grande y segun la normativa HE5 me pbliga a poner una instalacion solar de ayuda. ¿seria necesario que la instale? ¿donde la puedo poner en el guión?.

Dado que menciona el documento HE5 del Código Técnico de la Edificación, se está refiriendo a la contribución fotovoltaica mínima, y la instlación solar es para producción de energía eléctrica, no agua caliente. Como no me dice más datos, confío en que realmente sea como cuenta, y que deba prever este tipo de instalación fotovoltaica.

En tal caso, debe determinar sus características según el HE5, prever un punto de conexión a través de contador independiente y exclusivo a la red pública de distribución, y contemplar todos los detalles en un anejo nuevo que no aparece mencionado en el índice de la propuesta de proyecto.

Insisto en lo del contador: debe prever una acometida nueva y distinta para evacuar la energía generada hacia la red, y así poder poner en paralelo la instalación generadora con ella. Actualmente son más rentables las instalaciones sobre cubierta (tejados o azoteas) de manera que le aconsejo que la ubique sobre algún edificio contemplado en su proyecto.

[AÑADO: véase la nota (*) en la respuesta a una pregunta del 28 de agosto 2012. Es importante.]

 

26 agosto 2012

1. LMT Subterránea: Supongo que estos cables se sobredimensionan para posibles acometidas a otros CTs. Sino no entiendo porque se suelen elegir diámetros tan grandes (sobre 150 mm2); según el RAT, para estos diámetros, la Intensidad máx. admisibles sería de cerca de 300 A para HEPR. En mi caso calculo que para abastecer a mi CT de 250 kVA circulará una intensidad de unos 11 A por cada fase (haciendo: I= 250 kVA/[raiz de 3]*13,2kV), con lo que me llegaría con una sección de tan solo 25 mm2... Está claro que no me entero de algo...

2. LBT Subterránea: He leído en el proyecto tipo que para este tipo de línea se deben usar secciones de 240 y 150 mm2, yo he utilizado secciones también de 95 y 25 mm2, ¿no puedo?, me parece raro que el proyecto tipo diga ésto...

1. En efecto, se sobredimensionan bastante pensando en que sirvan para extender la red pública de distribución en alta tensión. Y como esto es práctica habitual, además son los cables que más se demandan y, por tanto, los que más se fabrican, más se venden y más fácil resulta de encontrar. Y suelen ser también los más baratos. Además, este es uno de los conductores que determinan las normas particulares de las empresas distribuidoras. Y los 11 A cabrían sin problemas en un conductor de muchísima menos sección que 25 mm2, pero al prescribir ese cable las normas particulares consideran otros factores, no solo la densidad de corriente.

2. Las secciones normalizadas deben respetarse. Son admisibles otros calibres cuando se trata de acometidas individuales a suministros bien identificados. Si no se instalan las secciones determinadas por las normas particulares de la distribuidora, ésta podría llegar a rechazar la red y exigir su reforma antes de dar suministro a través de ella.

 

15 agosto 2012

La descripción del proyecto indica que la red de media tensión debe ser de 13.2 kV, sin embargo la ubicación de mi urbanización se encuentra en la zona de Toledo, donde la tensión de la red de Iberdrola es de 15 kV y dispongo de valores reales de tensión e intensidad de cortocircuito, por lo que estoy realizando los cálculos con esta tensión, ¿existe algún inconveniente? o investigo los valores de 13.2 kV de otro punto de la red y los utilizo en mi punto de conexión.

Creo que si utiliza los datos reales, que además son prácticamente equivalentes a los que se pedían, no habrá problema en convencer al tribunal de que ha respetado la propuesta. Por mi parte, como tutor, desde luego que no hay problema alguno.

Además le aconsejo que en la defensa pública informe al tribunal de este hecho, y lo justifique aportando, si lo cree conveniente, la fuente de los datos que alega. Supongo que este detalle redundará en su beneficio.

 

15 agosto 2012

ALUMBRADO EXTERIOR ¿sería correcto ésto...? Desde el CT parto con una línea hasta una CGP dónde estará incluido el cuadro de protección y control, y de ahí salgo a las diferentes líneas de alumbrado. Es que el RBT habla de ambas cosas...

En general un alumbrado público se considera como un suministro más. En este caso, al ser pequeñito, podría ser incluso monofásico, pero suelen hacerse trifásicos porque así resultan ampliables en el futuro, sin más que prolongando las líneas. Por tanto, se trata de colocar un CPM (conjunto de protección y medida) homologado por la empresa distribuidora, cuya línea de salida única pase al interior de cuadro general de protecciones y control del alumbrado, que puede estar al lado o justo detrás, pero que será distinto e independiente del CPM anterior.

 

15 agosto 2012

1.- ? A que se refiere en la descripcción como línea principal ? a nuestra línea aérea-subterránea ?

2.- Si coloco el CT en apoyo solo me permite una potencia inferior a 100 kw , colocandolo así limito la potencia a la estacion de servicio , lo hago así apesar de limitar la potencia ?

3.- El trazado dibujado corresponde con lo que realmente hay que presentar en el proyecto ? me resulta " raro " que se pida un tramo aéreo , luego uno subterráneo y de nuevo otro aéreo ( para colocar el CT ) , a mí solo se me ha dado este caso en un proyecto donde una línea de 45 kw pasaba próxima a mi línea de 13,27 20 kv , y por distancias hubo que realizar un tramo aéreo , luego un subterráneo y volver a aéreo tras cumplir con las distancias mínimas entre ambas líneas , esto es lo que se pretende ?

4.- Si sigo las normas de la cia nunca me dejarán ceder la línea para un solo abonado , apesar de ajustarnos a normtiva , habrá que jsutificar dicha actuacion ?

1ª La línea principal es la existente, que pasa a cierta distancia de la parcela en la que se ubicará la instalación que proyecta.

2ª La potencia de 100 kW es más que suficiente para una estación de servicio con un restaurante y un montón de cosas más. No veo problema en ello. Y en cuanto a la limitación de que habla, creo que se refiere a la posibilidad de contratar suministro en alta tensión mientras que el contador está en el lado de baja tensión, y para ello se puede llegar hasta 160 kVA de potencia nominal.

3ª En efecto, puede suponerse que hay que cruzar bajo una línea de 45 kV para justificar que se pasa a subterráneo antes del CT. Y que éste luego es aéreo, en intemperie sobre apoyo, porque convenía más así.

4ª Se siguen las normas de la empresa distribuidora para que, en su día, pueda suministrarse a un segundo abonado en baja tensión desde ese CT. Llegado el momento, el titular inicial lo podría ceder a dicha compañía y librarse de él, cobrando del segundo abonado la cantidad que entre ambos estipulasen. Si ese segundo abonado nunca aparece, pues mala suerte. Pero no se debe proyectar ni ejecutar una instalación que impida de por sí la cesión en un hipotético futuro.

 

15 agosto 2012

1ª EDIFICIO SOCIAL: En la fachada iría una CGP (o CPM) y después, desde ahí, iríamos al cuadro general de protección de dentro, ¿no?

2ª ALUMBRADO DE EMERGENCIA: ¿Una opción para el alumbrado de emergencia (teniendo en cuenta que mis luminarias de emergencia no tienen alimentación exterior), sería que cada una llevara una pequeña batería?, creo que leí p.ej. una pila de botón... Partiendo de esta idea, y de que yo las he dividido en los tres correspondientes circuitos de alumbrado, la única razón para que vayan colgadas de un circuito sería que mediante un contacto se encienden al haber falta de tensión en el circuito?

Primera pregunta: en efecto, se tratará de un conjunto de protección y medida (CPM) trifásico de hasta 63 A por fase. Con eso, colocado en el exterior, queda resuelta la transción entre la acometida y la línea general de alimentación del edificio social. Dentro de éste se colocará un cuadro de protección general, cumpliendo las características del local que se clasificará como de pública concurrencia, según la ITC BT 28.

Segunda pregunta: las luminarias de emergencia autónomas no llevan pilas de botón, sino baterías recargables normales y corrientes (varias de tamaño AA por ejemplo, según su potencia). Pero para que siempre tengan carga deben conectarse a la red permanentemente. Así cuando falle el suministro, la propia luminaria conmuta a la posición de encendido y reemplaza el alumbrado al que complementa. Las baterías deberían tardar en descargarse más de 1 hora.

 

15 agosto 2012

En el plano de las canalizaciones subterráneas, ¿puedo salir desde una arqueta con dos líneas (o incluso tres) cada una de ellas hacia una vivienda? Y en ese caso, ¿ esas derivaciones individuales hacia las viviendas necesitarían también arquetas en cada cambio de dirección?

Se trata de ejecutar las canalizaciones para hasta tres viviendas desde una línea subterránea que pasa frente a ellas. En este caso, supongo que son tramos cortos y que se colocará un tubo por vivienda de al menos Ø110 mm. Si es así, es suficiente con acometer a través de dicho tubo a cada conjunto de protección y medida de cada vivienda con un par de cables de aluminio de 50 mm2 y 0.6/1 kV de tensión de aislamiento, sin más arquetas intermedias. El que sean una, dos o tres viviendas no tiene importancia. Si alguna de las acometidas individuales superase los 40 m, entonces aconsejo intercalar alguna arqueta más.

 

15 agosto 2012

Le quería realizar a Ud. dos cuestiones debido a la documentación de la memoria del TFG.

1ª ¿Cuando plantea "necesidades y prestaciones de las instalaciones requeridas" y "Soluciones adoptadas" en la Memoria de proyecto, podría concretarme en la medida de lo posible a que se refiere Ud. para que no me vaya por los cerros de Ubeda a la hora de atajar tales puntos?.

2ª ¿Con respecto al punto "Plazo y diagrama de ejecución" Entiendo que se refiere a la realización de croquis de ejecución de los trabajos eléctricos una vez sabida la fecha de inicio, no a los trabajos de otra índole no eléctricos?.

Sobre la primera pregunta: las necesidades se enuncian diciendo cómo debe ser la instalación que se proyecta. Se trata de enumerar las características principales del servicio que van a prestar, es decir, contestar a la pregunta de ¿para qué se hace esto?. Los detalles son bienvenidos en este punto, pero no demasiados. En cuanto a las prestaciones, en general se procurará explicar la utilidad de lo que se proyecta: que no sólo satisface las necesidades detectadas sino que además lo hace en determinada cuantía, o de una forma suficiente, o quizá muy generosa, etc. Por último, en cuanto a soluciones adoptadas, se trata de hacer un resumen de aquellas características técnicas más relevantes de la instalación que se proyecta.

Sobre la segunda pregunta: es suficiente realizar un diagrama de Gantt en el que figuren, en filas, los diferentes trabajos que se pretende realizar, y en columnas, las semanas que necesitará la obra desde su inicio hasta su finalización. Y desde luego que los trabajos que se indican al principio de cada fila son los que contemple su proyecto, que probablemente sean solo de índole eléctrica, y no de otro tipo. Las propuestas en general hacen referencia solo a instalación eléctrica, por lo que otra clase de trabajos no es requerida.

 

15 agosto 2012

ola.queria preguntarle si tengo que poner un vestuario para las pistas de tenis y la pista polideportiva porq nose...para la piscina me imaginado que si pero parra lo demas no se.gracias

En general el tribunal apreciará favorablemente la apariencia de realidad que consiga darle a su proyecto, por lo que los vestuarios me parecen buena idea, tanto para la piscina como para las pistas. Quizá el mismo vestuario pueda valerle para ambas.

Por otro lado, las faltas de ortografía de su pregunta me recuerdan que otro de los aspectos que los diferentes tribunales están valorando en cierta medida es la corrección ortográfica y gramatical, así como que se entienda a la primera lo que se quiere decir.

 

6 agosto 2012

He cogido esta semana de vacaciones. Seguiré contestando dudas a partir del día 13 de agosto.

 

3 agosto 2012

BAR: Estoy un poco liado con el cuadro general de proteccion. En el RBT se habla de varios elementos. El RBT dice que el cuadro general de protección debe tener un interruptor general, yo no estoy muy familiarizado con éste elemento, incluso llegué a confundirlo con el IGA al principio. Así que, supongo que finalmente deberá llevar el iterruptor general éste, más el ICP, más el diferencial, más los PIAS.

LMT: ¿cómo puedo saber de que STR procede la línea que he elegido y a cuál va?, u otras cosas como el numero de poste elegido para hacer la derivación (si es que es necesario). Te adjunto el proyecto tipo que estoy siguiendo para que me digas si voy bien por ahí, si tienes alguna recomendación te lo agradecería.

Hay que aplicar primero los criterios de clasificación de los locales del RBT y, en consecuencia, el bar es un local de pública concurrencia y se debe justificar el cumplimiento de la ITC-BT 28. Dicha instrucción pide protecciones generales en el art.4 y hay que implementarlas. Un ICP (interruptor de control de potencia) no es una protección general, así que no se tiene en cuenta. Los PIAs (pequeño interruptor automático) son los interruptores magnetotérmicos, que sí son protecciones. Uno de ellos tiene que ser el general, aguas arriba del resto, y poder cortar la corriente a la instalación. Supongo que sí es el IGA que dice (interruptor general automático).

El ICP puede ponerse o no, dependiendo del sistema de control de potencia que exija la compañía distribuidora. En principio el alojamiento para dicho ICP (una pequeña caja con tapa precintable) se debe colocar siempre en suministros de hasta 63 A, pero quizá no se llegue a instalar dentro el interruptor en sí, porque algunos contadores modernos ya llevan incorporada la función de limitar la potencia que hasta ahora ha hecho el ICP. Y si las compañías no la limitan es porque la cobran con penalización incluida.

Sobre la STR (subestación transformadora de reparto) su nombre, el de la línea que de ella parte y el número de apoyo en que se derivará la línea a proyectar, pueden inventarse sin ningún problema.

Y en cuanto al proyecto tipo que está siguiendo, el MT 2.21.60 (ed 4ª julio 2010) de Iberdrola Proyecto tipo línea aérea media tensión, simple circuito con conductor de aluminio acero 47-AL1/8ST1A (LA 56), es el adecuado.

 

3 agosto 2012

Mi proyecto se trata de una gasolinera tal y como yo misma he seleccionado, hoy hablando con unos funcionarios ITI de industria y me comentan que la MI-IP 04 va a ser ampliada en el mes de septiembre, que existe un borrador y que es mucho mas completo que la reglamentación actual.

En la actualidad el proyecto no lo he finalizado y si no supone un problema creo que podría “ aprovechar “ este borrador, que se confirma a finales de septiembre para apoyarme y hacer mi proyecto adaptado a esta nueva reglamentación , ya que ciertamente aclara muchas de las cuestione que se dejaban un poco al aire en la antigua reglamentación.

Le agradecería que me diera su opinión al respecto lo antes posible. Muchas gracias.

La página 2 de la propuesta de su TFG explica que "Todo el trabajo se ajustará a la normativa vigente al momento de su presentación..." luego podría ser ya exigible la versión reformada del Reglamento de instalaciones petrolíferas o de su instrucción técnica MI-IP 04. Pero como muy probablemente ocurra, la propia norma reformada incluirá un régimen transitorio de entrada progresiva en aplicación, y seguramente los proyectos que se estén haciendo ahora podrán ser válidos aunque se justifiquen en la norma sin reformar. Y esta situación durará algún tiempo.

También suele ser frecuente que la norma permita su aplicación voluntaria durante ese período transitorio, lo que quedaría a elección del proyectista.

Como la propuesta de TFG que Vd. ha elegido le pide también que se aproxime en su trabajo lo más posible a la realidad, quizá pudiera darle como respuesta la siguiente: aplique preferentemente la versión hoy vigente de la MI-IP 04, pero acójase voluntariamente a la nueva versión si los borradores que circulan le inspiran confianza y considera que entrará en vigor antes de la defensa de su trabajo (lo que dudo).

También le digo que las nuevas versiones de normas, cuando realmente aclaran contenidos de las normas originales (porque la tendencia actual a hacer solo remisiones a normas UNE consigue todo lo contrario), son útiles como documentos de referencia y, como tales referencias, pueden ser utilizadas para cumplir mejor la norma original. Pero se está cumpliendo la norma original, que es la vigente, y no la nueva versión, que puede no entrar en vigor en mucho tiempo, o puede ofrecer un período transitorio que no exige su aplicación de momento.

En resumen, yo seguiría aplicando la actual MI-IP 04 y, sólo como referencia, pero sin valor normativo, aprendería de la nueva versión y utilizaría sus previsiones para mejor cumplimiento de la norma actual.

 

18 julio 2012

En el anejo de Baja Tensión incluiré dos tipos de conjuntos de protección y medida: CPM1-D2-M para los suministros monofásicos a cada una de las viviendas y el CPM2-D/E4-M para el suministro trifásico del Centro Social según se especifica en la NI 42.72.00 (“Instalaciones de Enlace. Cajas de Protección y Medida”) de Iberdrola. ¿Es correcto? Gracias

Sí tiene buena pinta esa elección: uno será monofásico (incluso lo hay doble monofásico, para cada dos parcelas) y el otro trifásico, ambos de hasta 63 A aproximadamente. No recuerdo exactamente los códigos, pero si la norma que cita es correcta, los códigos también estarán bien.

Tan solo apuntar una idea más: los conjuntos de protección y medida CPM pueden no contemplarse en el proyecto si la distribuidora eléctrica considera que va a pasar demasiado tiempo entre que se instalan esos CPM y se construyen las casas de la urbanización, ya que como esos CPM van a tener tensión pero a la vez van a estar "abandonados", es más prudente no ejecutarlos, por seguridad para las personas (niños que todo lo curiosean...). En su día, el propietario de cada parcela tendrá que ejecutar su CPM en la valla de la parcela, y buscar (picando la acera, o usando canalizaciones vacías hábilmente dejadas al efecto) la línea de distribución que se ejecutó (y que se contempla en su proyecto) para efectuar la acometida.

En mi práctica profesional se me han dado las dos situaciones pero solo en aquellas zonas (como la de Béjar) en las que las acometidas se ejecutan "pinchando" la línea subterránea en una arqueta. Allí donde las acometidas se derivan desde el interior de los CPM, es evidentemente necesario ejecutar estos al instalar las líneas de distribución.

 

13 julio 2012

Tengo una duda al hacer la previsión de la potencia total de la urbanización.

Para calcular la potencia total de las 20 viviendas, ¿bastaría con multiplicar la potencia de una vivienda por el factor de simultaneidad para 20 viviendas es decir 14,8 (9200W x 14,8=136,16 kW) o como hacíamos en Instalaciones Eléctricas, repartir las viviendas entre fases (7-R, 7-S, 6-T) multiplicando por su factor de simultaneidad correspondiente (6,2 para 7 viviendas) y multiplicar la potencia de la fase mas cargada por 3 para convertir la carga desequilibrada en equilibrada (9200W x 6,2 x 3 = 171120 W) o este método solo se utiliza para calcular las secciones?

Sin duda es preferible la segunda opción a la primera, que es más rigurosa y conduce a mayores potencias, lo que redundará en un cálculo del lado de la seguridad y fiabilidad de la instalación.

Sin embargo, en cuanto a su última parte, yo no creo que se deba necesariamente reconvertir una carga desequilibrada en una carga equilibrada, si luego se hace un cálculo fasorial de la red fase a fase y tramo a tramo. En mi práctica profesional, utilizo una versión de la hoja de cálculo similar a la que he ofrecido en tutorías (y es accesible también desde este foro), en la que asigno a cada punto de suministro (vivienda) su potencia nominal, la mantengo para cada derivación individual (coef. simultaneidad = 1.00), y la reduzco en la salida del cuadro de baja tensión del centro de transformación (asignando a esa salida un coef. simultaneidad 6.2 para 7 viviendas).

 

13 julio 2012

Tengo una duda sobre el formato del proyecto: Estoy utilizando la “plantilla fin carrera” que nos pasaste para hacer el índice y redactar los apartados con el tamaño y tipo de letra de la plantilla. Sin embargo he observado que en el pdf de la propuesta hay ciertas variaciones en el índice con respecto al índice de la plantilla como por ejemplo el apartado de normativa aplicada en el guión aparece en la memoria( pto B), y en la plantilla aparece en el anejo de media tensión (pto B). Mis dudas son:

¿Debemos seguir el guión de la plantilla que nos pasaste o el de la propuesta?

Respecto a la letra utilizada, ¿Debemos utilizar el tipo y tamaño de letra de la plantilla, o con que sea legible y de un mínimo de 2 mm es suficiente?

El guion que se debe seguir para realizar el Proyecto Fin de Carrera o el Trabajo Fin de Grado es el de la propuesta. Así se especifica en cada una de ellas:

El alumno deberá respetar este esquema aportando contenidos en aquellos apartados donde lo estime necesario, indicando en el resto la mención "No aplicable porque..." seguida de la razón correspondiente. También podrá añadir otros epígrafes si fuera necesario, pero nunca eliminar los que se indican. Los capítulos opcionales marcados con (*) que vayan a ser desarrollados en el trabajo seguirán las mismas reglas. Pero los que el alumno no vaya a tratar ni siquiera deberán figurar en él.

El formato del texto es libre. El empleo de la plantilla para Word que pasé también es voluntario. Pero en los planos, es obligatorio respetar el tamaño mínimo admisible para las letras y números, que nunca podrán ser inferiores a 2 mm de alto.

 

12 julio 2012

En relación al cálculo de la iluminación exterior del proyecto del restaurante con piscina, aparcamiento, pistas, etc.:

Para la iluminación exterior de los caminos que van de una pista a otra, a la piscina, etc. y del cesped ¿hay que tener en cuenta la iluminación derivada de las pistas deportivas y demás y de la propia fachada del restaurante o calculamos la iluminación tipo para un camino y multiplicamos por la distancia total sin tener en cuenta nada más?

¿Aconseja algún programa de cálculo de luminarias para exterior o algún método en particular? ¿Tiene algún proyecto tipo con el que nos podamos orientar?

La simplificación que propone respecto del cálculo de iluminación de los caminos es razonable. Pero si el programa de cálculo se lo permite, quizá pueda optar por calcular los caminos considerando también el efecto del resto de la iluminación (zonas adyacentes). Todo depende de la herramienta de cálculo que utilice y de sus posibilidades. Lo que nos lleva a la segunda respuesta:/p>

Las recomendaciones en tutorías siempre han ido hacia programas que uno mismo se puede hacer con herramientas de las que ya se dispone, y sobre todo las hojas de cálculo. Para el cálculo de la iluminación se puede optar por este método. Sin embargo, hay un programa gratuito de gran solvencia que es Dialux y que, en contra del principio general anterior, también he recomendado en clase. La razón es que es realmente bueno desde muchos puntos de vista, especialmente desde el de las posibilidades de optimización de soluciones. Así que le recomiendo el Dialux para su trabajo, y con él podrá calcular la iluminación de los caminos teniendo en cuenta la del resto de zonas a la vez.

Por último, no puedo ofrecerle ningún proyecto tipo de alumbrado. En su lugar le recomiendo que lea el Reglamento de eficiencia energética en alumbrado exterior y que cumplimente el índice de la propuesta de TFG con arreglo a dicho reglamento. No le costará mucho seguir el guion.

 

30 junio 2012

¿Hay algún formato específico de la portada del Proyecto fin de grado? Me imagino que la portada será con el escudo de la Universidad, título del proyecto (proyecto de...) peticionarios y autor del proyecto.

¿Hay algún formato específico del encabezado y pie de página para los documentos del Proyecto fin de grado? La idea que tenía era en el encabezado de todos los documentos indicar el documento correspondiente (Anejo de.., Pliego de Condiciones, Estudio de Seguridad y salud...) y en el pie de página el numero de página (pagina Z)

¿Hay algún formato específico del cajetín para los planos del Proyecto fin de grado? Me imagino que los datos que tiene que incluir es: Nombre del plano, cuando fue dibujado, peticionario, autor, escudo de la Universidad, Nombre del proyecto, escala y nº de plano.

En efecto, la portada más adecuada podría ser como la que describe. Pero en lugar de peticionarios, indique los tutores y mencione también a la Escuela y señale que se trata de un trabajo de fin de grado o proyecto de fin de carrera, según el caso.

El formato que sugiere para las páginas, encabezados y pies de página, etc., es muy interesante, pero laborioso. Sin duda el aspecto final depende de cada uno.

El formato de los cajetines en los planos estaba normalizado en un estándar internacional ISO que no recuerdo ya, porque casi nadie lo utiliza. Pero los contenidos del cajetín están especificados con todo detalle en cada propuesta de trabajo / proyecto. Busque en las notas al pie de las propuestas.

 

30 junio 2012

Quería saber la documentación necesaria (normativa) que tengo que aplicar, para empezar a hacer el proyecto en verano. Mi proyecto es la instalación eléctrica para suministro a un restaurante con piscina y zonas deportivas. Te agradecería mucho que me enviases dicha información por correo electrónico, en caso de que no la tuviese disponible. Poseo únicamente el Reglamento de Baja Tensión y la tabla de Excel explicada en las tutorías.

Hay varios materiales de utilidad accesibles desde algunas respuestas de este foro.

Uno muy útil que no he incluido todavía, pero que sí proporcioné durante cada una de las 8 sesiones de tutorías de este curso, es el MT 2.11.01 (ed. 3, febrero 2004) "Proyecto tipo para centro de transformación de superficie" (PDF 215 kiB).

 

30 junio 2012

En el pliego de condiciones particulares, en la obra civil supongo que va la apertura de zanjas AT y BT, hoyos para los postes, obra civil del CT. ¿no?

Las condiciones particulares determinan normalmente calidades mínimas, y medios y sistemas de ejecución admisibles. Todo lo que el contratista quiera mejorar podrá hacerlo, pero siempre a partir de los mínimos que indica el Pliego de condiciones particulares.

Las zanjas, hoyos y demás obra civil deben ir definidos en el apartado correspondiente del diseño del proyecto, como por ejemplo el C.a.3 del anejo de media tensión para las cimentaciones de los apoyos de la derivación aérea. En el Pliego de condiciones deberá figurar que la profundidad indicada en el apartado citado es la mínima admisible, que se excavará con pala o a mano, que se hormigonará con hormigón de planta o hecho in situ, etc.

 

30 junio 2012

Le agradecería que revisase la hoja de cálculo de secciones que le adjunto, porque los datos de ∆Vmáx (%), y ∆Umáx (%) aparecen en rojo, supongo que es por que son los que aparecen luego en cuadro resumen de la parte superior, o por que me he equivocado.

Aunque la hoja que me manda no es la que he programado yo, sino la que está en la sección de Descargas del sitio web de Ingeniería Eléctrica (el autor es el prof. García Arévalo), puedo contestar a la pregunta porque la hoja no está protegida por contraseña y, por tanto, es fácilmente verificable en todo su contenido.

En efecto, la celda aparece con números en rojo porque lleva asignado un formato condicional (busque en el menú correspondiente de Excel). El formato condicional asignado en este caso activa el color rojo cuando el contenido calculado para la celda es inferior al valor introducido en la celda D7. Esto lo he averiguado seleccionando una celda cualquiera con números en rojo y viendo el formato condicional que le corresponde desde el menú que he indicado antes.

Esta es una de las características que más me gustan de las hojas de cálculo: pueden ser verificables. Esto generalmente no ocurre con los cálculos de un programa específico, y prácticamente nunca si además es un programa comercial.

 

27 junio 2012

¿Podría hacer accesible desde esta página la herramienta XLS de cálculo y verificación de redes ramificadas que nos pasó en tutorías? Es que mi copia me da problemas y quisiera descartar que estuviera corrupta comparándola con la original.

Muchas gracias.

Desde luego. Aquí van los enlaces:

Hoja de cálculo fasorial de redes ramificadas con neutro (.XLS 171 kiB).

Manual de uso de la hoja de cálculo fasorial de redes ramificadas v.01 (.PDF 1.2 MiB).

 

26 junio 2012

Para porteger contra cortocircuitos toda la longitud de una línea elijo un fusible de 250 A en el cuadro de Baja Tensión del Centro de Transformación para la red de 240 mm², segun aparecen en la tabla de selección de fusibles de la MT 2.51.01, que en el punto 8.2 da como protegida una longitud máxima de 247 m.

Imagino que la única posibilidad de ampliar la longitud protegida contra cortocircuitos, es la instalación de Cajas Generales de Protección intercaladas en la propia red a las distancias inferiores a los 247 m. De esta manera queda el proyecto definido según las condiciones de IBERDROLA.

¿Es correcto? Muchas gracias

Me temo que no, que no es correcto.

La distancia de línea protegida por un fusible se estima calculando la intensidad de un cortocircuito al final de dicha línea, que será siempre mucho menor que el mismo cortocircuito producido en su principio, por la atenuación que introduce la creciente impedancia con la distancia. Si la corriente logra fundir el fusible en menos de 5 s, el fusible está bien calculado y la línea está protegida en toda su longitud.

Si se quiere aumentar la longitud protegida, o se pone mayor sección de conductor, o se reduce el calibre del fusible. En cuanto a esto segundo, calibres menores limitan la potencia nominal de la línea, pero como son más sensibles a corrientes pequeñas, pueden proteger eficazmente frente a menores corrientes de cortocircuito, que son las que se presentarán conforme se vaya haciendo más larga la línea.

Pero intercalar fusibles en cajas de protección colocadas a intervalos, para alargar la longitud protegida, no tiene sentido.

 

26 junio 2012

Para el cálculo de la potencia de las luminarias, el fabricante ya nos dice la potencia real que consume las lámparas con los equipos, por ejemplo, un Downlight de 2*26W dice que consume 66W. Esta es la potencia que ponemos en proyecto o habría que aplicarles el factor de corrección de 1,8 según se indica en el punto 3.1 de la ITC-BT-44.

Muchas gracias

El Reglamento pide que se utilice 1.8 como factor de incremento de la corriente nominal de un receptor que tenga lámparas de descarga (fluorescentes, de vapor de sodio, de vapor de mercurio, de halogenuros metálicos). Lo que se pretende con ello es que la línea que lo alimenta pueda soportar la corriente de arranque.

El Reglamento pretende que las instalaciones sean seguras. Y ello se consigue, bien cumpliendo escrupulosamente sus ITCs, bien aplicando otro criterio que apruebe la Comunidad Autónoma (art. 23.3 RBT).

Si del dato de 66 W se puede deducir la corriente de arranque, entonces se puede utilizar ésta para los cálculos porque así lo permite la ITC-BT-44 en el 3.1.

Si ese dato no permite conocer la corriente de arranque (porque solo indica la potencia total de lámpara más equipo) entonces debería utilizarse 1.8 sobre la potencia nominal de la lámpara, que es lo que también dice el citado 3.1 de la ITC-BT-44, a no ser que se considere seguro no hacerlo, y se cuente con la aprobación de la Comunidad Autónoma.

A mi me parece que de los 66 W solo se puede extraer la corriente nominal "completa" (es decir, de lámpara más equipo), y que la corriente de arranque puede ser muy superior al valor que se calcule con esa potencia. Por lo que yo utilizaría el 1.8 sobre la potencia en vatios de la lámpara.

 

22 junio 2012

¿Cómo debemos configurar autocad desde que empecemos con algún plano?. Me refiero a elegir las unidades y la escala.

¿Podrías darme unas pautas sobre como ir configurando la escala para que no aparezcan problemas después a la hora de imprimir?.

Sí sé cambiar las unidades con el comando de igual nombre, pero ni idea de las escalas.

No soy profesor de dibujo ni creo que sea capaz de aclarar del todo estas dudas porque no utilizo Autocad normalmente. No obstante voy a intentarlo:

Tengo entendido que en Autocad se dibujan en metros las cosas grandes y en milímetros las pequeñas. Supongo que es un convencionalismo que admite todas las variantes del mundo, pero ya he dicho que no uso Autocad y en mi programa de CAD habitual no tengo ese problema. Así que yo configuraría lo que fuera para dibura en metros en este caso.

No sé cómo funcionan las escalas en Autocad. Si fuera como en mi programa de CAD, puedo generar un plano del tamaño que quiera (DIN A3 por ejemplo) y luego ajustar el dibujo para que quepa en él modificándole la escala (creo que en Autocad se dice pasar del modelo espacial al modelo en papel, o algo así). En ese caso, en A3 puedo colocar un dibujo de 40 m a escala 1:100, y 400 m a escala 1:1000.

Para los planos en planta una escala adecuada puede ser de 1:1000. Para los planos de líneas se debe exagerar la vertical respecto de la horizontal, y por ello suele usarse 1:500 en vertical y 1:2000 en horizontal.

Además hay que tener en cuenta que la propuesta de Trabajo / Proyecto exige que no haya ninguna letra o número que al aparecer impreso en el papel tenga menos de 2 mm de altura. Esto es una precaución que resulta muy útil en la vida real, donde los planos se consultan en obra, en condiciones no siempre ideales de luz y posición, y donde muy poca gente que no ve bien de cerca lleva puestas sus gafas.

 

16 junio 2012

Hola, buenas. (las 20 parcelas)

Las dimensiones de cada parcela para las viviendas unifamiliares, así como las dimensiones de las propias viviendas, ¿podemos invertarlas como queramos?. Es que he visto un proyecto donde hablaba de las nnss...

La línea de derivación individual, desde que parte de la línea principal, ¿es posible que solo tenga dos vanos antes de pasar a subterránea? (no lo entendí muy bien en la descripción)

Gracias.

Puede ser interesante aludir a las normas urbanísticas (nnss, más correctamente NN.SS., que significa "normas subsidiarias", lo que a su vez quiere decir "normas que se aplican subsidiariamente en caso de no existir normas urbanísticas propias de cada municipio"). Sin embargo, no creo que sea esencial. Inspírese en las dimensiones de parcelas y viviendas de una urbanización que conozca y con eso será suficiente.

La derivación aérea en media tensión tiene que tener al menos dos partes aéreas. La propuesta pide "tramo aéreo de derivación desde un apoyo de la línea principal hasta el apoyo con los seccionadores fusibles de protección, otro tramo aéreo más del número de vanos que se desee, y el final será un apoyo que servirá de entronque aéreo-subterráneo." Es decir, se divide el tramo aéreo en dos: la primera parte aérea de muy corta longitud, entre 10 y 20 m, y la segunda de la longitud suficiente para llegar a la urbanización (luego será, como mínimo de unos 230 - 240 m). Al llegar a la urbanización se pasa a subterráneo y se ejecuta, en las inmediaciones de ese paso, el nuevo centro de transformación.

Es habitual necesitar al menos 2 vanos para cubrir la segunda parte de la derivación, aunque eso depende del perfil del terreno que deba recorrer la línea. Pueden ser más vanos (en caso de tener que salvar algún obstáculo, por ejemplo), o solo uno (si se cruzara un valle o depresión y no hubiera problemas de flecha).

 

14 junio 2012

FIN DEL PERÍODO DE CLASES Y TUTORÍAS REALIZADAS

Finalizado el período de clases presenciales de este curso 2011-2012, las dudas de los alumnos se resolverán mediante consulta a los tutores por correo electrónico, cuyas respuestas se publicarán en esta página.

Se comunicará oportunamente la reanudación de las tutorías presenciales.

Tutorías presenciales realizadas en 2012:

  • Jueves 22 de marzo.
  • Viernes 23 de marzo.
  • Jueves 29 de marzo.
  • Viernes 30 de marzo.
  • Semana Santa.

  • Jueves 19 de abril.
  • Viernes 20 de abril.
  • Viernes 18 de mayo.
  • Viernes 8 de junio.
 

14 junio 2012

Adjunto le envio los cálculos de los apoyos para que si puede los revises, por que estoy viendo en otros sitios que los hacen de forma distinta. por el programa de Imedexa, las flechas salen muy parecidas, solo que da un apoyo de 3.000kg. En el cáuculo de la cimentación el Cs. me da menor a 1,5, por lo que creo que sí habría que colocar este, aunque me parece demasiado para el tipo de línea.

Tambien el EDS sale muy alto. ¿tendría que tomar otro tense menor?

Si el conductor es un LA-56 tensado con coeficiente de seguridad de 3.3, la tensión total sobre un apoyo fin de línea es de 1518 daN (hipótesis de viento a -5ºC), luego una torre C-2000 tiene que cumplir, que son 2000 daN libres en punta...

Lo de que el coeficiente de seguridad en cimentación le obligue a poner un apoyo de 3000 daN no lo he entendido. Utilice la fórmula de Sulzberger para obtener el momento resistente opuesto por el terreno, y el de vuelco calcúlelo con la tensión máxima anterior.

Por otro lado, para un vano de 140 m en zona A debería vd. obtener una EDS del 11.39% de la carga máxima de rotura de un LA-56, que al estar por debajo del 15% (me surge la duda si en zona A no es el 18%) es un valor aceptable.

 

13 junio 2012

Le envío esquema de tierras del apoyo nº 4 donde se encuentra el trafo de intemperie, para dicho esquema se ha tomado como base una potencia de cortocircuito de 350 MVA, la intensidad máxima de defecto de 500 A, y una resistividad media del terreno de 200 Ωm , y el tiempo máximo de eliminación del defecto de 0,7 s, se ha obtenido con estos datos una Rt de tierra de protección de 15,8 Ω y una Rt de tierra de servicio de 14,6 Ω, ya que el terreno como el enganche a la línea de Iberdrola son ficticios ( sin ningún dato al respecto por parte de Iberdrola al ser ficticia o imaginaria).

No me ha mandado los cálculos de los valores que resultan de las suposiciones que me indica, pero dichas suposciones parecen razonables. Quizá la duración del defecto pudiera reducirse a 0.5 s, y la intensidad máxima de defecto deba subirse hasta 1000 A, pero sus datos también son "reales".

Le recuerdo que puede Vd. inventar cuantos datos necesite, siempre que conserven suficiente apariencia de realidad".

 

13 junio 2012

Me han comentado que en la última tutoría para el Trabajo Fin de Grado, estuviste explicando el funcionamiento de un programa para el cálculo de la red de baja tensión, serias tan amable de pasármelo por favor, en vuestra página no lo localizo.

Una vez que lo tenga hecho el trabajo, te lo envío para que me lo corrijas o me digas posibles mejoras, prefieres que vaya en persona, no sé que te viene mejor. Dime algo.

Saludos

La hoja de cálculo para el verificar secciones en redes eléctricas ramificadas mediante cálculo fasorial está disponible en la sección de "otros materiales" de la asignatura TECNOLOGÍA ENERGÉTICA en este mismo sitio web. El enlace corresponde al archivo para la "Red eléctrica trifásica de 400 V con neutro".

Como dije en clase el pasado viernes día 8 de junio, las tutorías presenciales llegaron a su fin, y no continuarán hasta septiembre u octubre. A partir de ahora podrán consultar con los tutores exclusivamente por correo electrónico, y la respuesta la recibirán a través de esta página.

Pueden enviarme en formato PDF los archivos que deseen que revise, pero no puedo comprometerme a hacerlo inmediatamente por razones obvias.

 

13 junio 2012

Estoy trabajando en el TFG, en concreto en la propuesta de la urbanización de 20 parcelas. Tengo unas cuantas dudas.

¿Hay problema en suponer que la instalación radica en Ávila? Quiero inspirarme en una zona próxima a Candeleda, actualmente sin urbanizar, es zona iberdrola pero a 15 kV. Como en tu propuesta comentas que la línea existente hay que suponerla a 13,2 kV, quería consultarte si hay problema en suponer que la zona sea Iberdrola 15 kV y el trafo ponerle igualmente bitensión, pero en vez de 13,2-20 pues ponerle de 15-20, tal como se instalan en Ávila en al actualidad. Esta zona, además, es zona ZEPA así que conlleva instalación de dispositivos de protección de la avifauna.

Otra duda es acerca de la configuración de las celdas. En tiendo que, al ser la configuración de la línea MT que abastece al centro en punta, bastaría una configuración de celdas 1L+1P, sin medida ni remonte porque se mide en baja el consumo en cada parcela. Bien, la duda es, ¿consideras oportuno que deje una instalación 2L+1P, pensando en una configuración futura de la línea en bucle, estando así preparado para abastecer a centros próximos?

Respecto a la previsión de cargas, ¿qué factor de simultaneidad se podría tomar en las viviendas? ¿Factor 1? Como los factores de la ITC-BT 10 son para edificios...

Un saludo y gracias.

Si la zona es real, por supuesto que se cumplen las condiciones de la propuesta del trabajo fin de grado. Supongo que, además, es razonable que se modifique la tensión nominal a 15 kV si la zona de la distribuidora está a esa tensión (que lo está). El cambio es mínimo y resulta aceptable.

En cuanto a la protección para la avifauna, es interesante incorporarla si, además, en la situación real así hubiera sido exigible. Pero justifique bien que el emplazamiento cae dentro de zona progegida ZEPA, identificando el nombre y el código de dicha zona e incluyendo un plano de la misma en el que haya marcado la situación de su instalación.

Sobre la previsión de segunda celda de línea, ya se comentó en clase. Pero repito que el contenido de la propuesta de los trabajos, que hay que respetar, es un contenido mínimo, luego pueden añadirse cuantos otros detalles se consideren necesarios sin problema ninguno. Pero que esos añadidos no desplacen o eliminen otros contenidos solicitados en la propuesta.

Los factores de simultaneidad de la ITC BT 10 pueden aplicarse a una urbanización suponiendo que cada línea o ramal de distribución alimenta a un solo edificio compuesto de tantas viviendas como parcelas sirva esa línea o ramal, de forma que se asigne a esa línea o ramal un coeficiente de simultaneidad equivalente al que hubiera merecido un bloque de pisos del mismo número de viviendas.

 

12 junio 2012

Buenos dias, tengo una duda sobre como afrortar el calculo del apoyo en derivacion, no consigo aclararme con lo que explican en la documentacion de iberdrola en la norma 2.21.60, en la que dice:

Se comprobarán los esfuerzos que debe soportar el apoyo de la línea principal en la hipótesis de viento y mínima temperatura, a la línea derivada se le aplicará la tracción a la mínima temperatura sin sobrecarga de viento. Seguidamente se realizará a la inversa, mínima temperatura y sobrecarga de viento en la línea derivada y mínima temperatura sin sobrecarga en la línea principal. Normalmente uno de los valores así obtenidos será el valor más desfavorable, no obstante debe comprobarse en zonas B y C, el resultado de las tracciones con hipótesis de hielo y mínima temperatura.

Gracias.

Se trata de un método simple para encontrar la situación en la que la línea deberá soportar los esfuerzos mecánicos más desfavorables. Lo que la norma pide es que se calculen las tensiones mecánicas derivadas de la mínima temperatura en la línea principal y en la derivada, y se superpongan, alternativamente, los efectos del viento sobre una y otra, para ver qué solicitaciones resultan sobre el apoyo.

En tutorías se mostró un método mejor, consistente en realizar el cálculo para cualquier dirección de viento posible que afectara a la vez a ambas líneas (principal y derivada). Se trataba de asignar a cada ramal su tensión mecánica correspondiente al tense de la hipótesis de mínima temperatura, y luego superponer el efecto del viento en los tres ramales a la vez. Sumando vectorialmente los esfuerzos resultantes se obtenían las solicitaciones a las que debe responder el apoyo para cada dirección del viento. Y esto se hacía mediante una simple hoja XLS.

Por otro lado, en tutorías también se dio a conocer la existencia de programas comerciales que resuelven estas cuestiones, y hay un foro en el que puede encontrarse información útil:

http://andelecsoftware.blogspot.com.es/2012/05/calculo-de-apoyos-con-derivaciones.html

[Gracias Álex]

Nunca recomiendo la utilización de programas de terceros para resolver problemas que se pueden tratar fácilmente con una hoja de cálculo. Al contrario, mi consejo es que se procure utilizar las hojas de cálculo y solo se recurra a programas de terceros cuando la complejidad o magnitud de las operaciones lo haga inevitable.

 

4 junio 2012

Buenos días, quería saber la fecha límite para poder enviarte el Trabajo de Fin de Grado para que lo revises y lo podamos presentar en Julio.

Según el art. 8.3 del REGLAMENTO DE TRABAJOS FIN DE GRADO Y FIN DE MÁSTER DE LA UNIVERSIDAD DE SALAMANCA (aprobado por el Consejo de Gobierno de la Universidad en su sesión de 27 de Julio de 2010), "...el tutor académico de cada TFG/TFM a petición de la Comisión de TFG o de la Comisión Académica del máster, enviará al Presidente de la Comisión Evaluadora, con al menos cuarenta y ocho horas de antelación al inicio de las sesiones de audiencia pública de las exposiciones un informe del TFG/TFM tutelado, ajustado al modelo que la comisión haya establecido."

Pues bien:

  • Entre los documentos que debe Vd. presentar en Secretaría NO figura el informe del tutor, porque no le corresponde a Vd. encargarse de ello sino a nosotros.
  • Dice el Reglamento que el tutor enviará el informe del trabajo tutelado "...a petición de la Comisión de TFG..." . La citada Comisión de TFG nos los ha pedido ya.
  • Como dice el Reglamento, el plazo para entregar el informe de los tutores es de al menos 48 horas antes de la defensa, plazo que se cumple el 9 de junio sábado por la mañana. Tendremos que haber revisado antes los proyectos correspondientes. Como ahora en junio serán pocos (cuatro quizá), con recibirlos antes del día 7 los informes estarán para el día 8 (viernes a primera hora de la tarde), que será cuando se dejen en la Escuela.
  • Lo mismo se aplicaría a la convocatoria de julio y a la de septiembre, con la evidente diferencia de que, entonces, se presentarán muchísimos más trabajos a la vez (calculamos que no menos de cuarenta) y los plazos para revisarlos todos se alargarán proporcionalmente.

No puedo precisar más.

 

24 mayo 2012

RESUMEN DEL PROYECTO FIN DE CARRERA

RESUMEN DEL TRABAJO FIN DE GRADO

Puede que la unidad departamental de la ETSII le envíe un formulario para cumplimentar el resumen del trabajo.

Es el documento que le adjunto en este enlace, en el que me he permitido, por si le resulta de utilidad, anotar en diferente color los contenidos que mejor encajan en cada apartado.

Son contenidos que Vd. podrá extraer fácilmente de la pequeña memoria que forma parte de su proyecto, tal y como he explicado en las tutorías presenciales.

Saludos.

 

18 mayo 2012

¿Hay alguna información que necesitemos que nos pase en un USB para empezar el proyecto como Normas UNE o reglamentos específicos? Es por saber si tengo que ir a la tutoría de mañana ya que no tengo dudas porque aún no he empezado el proyecto.

(A lo mejor ya ha respondido estas preguntas en correos anteriores pero es el primer y único correo de dudas resueltas me ha llegado. ) Gracias y perdón si son preguntas repetidas.

Estoy en disposición de entregar en cada tutoría todos los materiales que ya he puesto a disposición de los alumnos en cualquier otra ocasión anterior. Luego sólo hay que asistir a alguna y llevar un soporte de almacenamiento normalizado USB. Sencillo.

En principio no me importaba repetir las respuestas, aunque es poco práctico y hace perder tiempo a todo el mundo. Así que ahora que tenemos esta página de preguntas y respuestas, lo mejor es leer las respuestas de este foro para no repetir preguntas.

 

18 mayo 2012

No podré asistir a su tutoría pero querría saber donde tengo que situar la urbanización para realizar el trabajo.

Basta con leer la propuesta del trabajo y, justamente la primera frase de la descripción ya dice "El alumno definirá la ubicación de la urbanización y su configuración en planta..." y siguen los requisitos básicos que dan contenido al trabajo. Y luego la última frase, justo antes de las observaciones particulares explica: "El resto de detalles no especificados en esta descripción podrán ser supuestos por el alumno, pero deberán asemejarse lo más posible a datos extraídos de la realidad." Así que la respuesta es: se lo inventa vd., pero que sea en zona Iberdrola (España), que también lo pide la propuesta.

 

18 mayo 2012

Para realizar los cálculos del transformador para la urbanización de 20 parcelas, pensaba usar un programa de Schneider Electric de calculo de estaciones transformadoras MT/BT hasta 36kV. La pregunta es: ¿se puede usar un programa para calcularlo? y en ese caso, ¿habría que presentar a demás los cálculos que tendríamos que hacer sin el programa?

El uso de programas de terceros (es decir, hechos por otras personas distintas del alumno que se examina, o el profesor examinador) lógicamente tiene las ventajas de ahorrar esfuerzo y tiempo, pero presenta los inconvenientes de no saber muy bien qué se está haciendo, y de adaptar después los resultados al rígido esquema que como tutor exijo para obtener el informe favorable previo a la defensa. Cada uno valorará lo que el aporta y lo que le cuesta el uso de un programa, y yo no creo que deba interferir en esas consideraciones.

En cuanto a "presentar además los cálculos que tendríamos que hacer sin el programa" pues no entiendo muy bien. Si se refiere a que el programa no le resuelve todos los contenidos exigidos en la propuesta de proyecto, pues ya está contestado más arriba: el informe favorable se dará solo a los trabajos o proyectos completos.

 

17 mayo 2012

Tengo un pequeño problemilla a la hora de calcular el temas de las tomas de tierra de los apoyos, he seguido la norma 2.23.35 y me he liado a la hora de aplicar las tensiones de paso, ya que para calcular tension de paso maxima (punto 9), utiliza Upa=p*Kp*If y por otro lado dice que iberdrola garantiza que If*t=400,donde la t es el tiempo que tardan en actuar las protecciones en un tiempo inferior a 1 segundo, y no explica de donde sacar t o If.

Utilice tiempos de disparo de 500 ms. En consecuencia, la intensidad máxima de defecto no sería superior a 400 / 0.5 = 800 A. En mis proyectos hace ya años que considero que la intensidad de defecto no superará If = 1 000 A, que es un valor ligeramente superior, lo que queda del lado de la seguridad. Este valor es, además, coherente con una puesta a tierra tipo zig-zag de 12.7 Ω de inductancia en el neutro del transformador de la subestación que alimente la línea de media tensión a la que se conecta su CT, contemplado en la tabla 8 del citado MT 2.23.35. Pero la intensidad real de defecto If' vendrá también limitada por la puesta a tierra de su instalación, y aún será menor. Cuidado con no confundir If con If'.

 

17 mayo 2012

Otra duda viene en el siguiente del punto( el 10) de esa misma norma donde expresa la tension de paso máxima aplicable en funcion de la duracion del defecto, y dependiendo de los valores de esa tension da unos valores de t. Mi duda es de donde saco yo If y t, y para que sirve averiguar tiempos del punto 10.

Verifique la tensión máxima aplicable al cuerpo humano aplicando los criterios de la vigente ITC 13 (apartado 13.1.1) del Reglamento sobre centrales eléctricas, subestaciones y centros de transformación. Pruebe a calcular las tensiones previstas en su proyecto utilizando el criterio del punto 9 de la MT 2.23.35, considerando t = 0.5 s y también If = 1000 A. Pero como ya dije en alguna tutoría, el método que yo prefiero es el de la Recomendación Unesa "Método de cálculo y proyecto de instalaciones de puesta a tierra para centros de transformación de tercera categoría", que supongo disponible entre el material de la asignatura Instalaciones Eléctricas en la fotocopiadora de la Escuela.

El cálculo del tiempo del punto 10 MT 2.23.35 sirve para tener la seguridad de que las protecciones de la subestación dispararán antes de que se mantengan tensiones peligrosas para el cuerpo humano.

El documento MT 2.23.35 de julio 2010 yo no lo conocía, y no he podido estudiarlo antes de contestar, pero tras un primer vistazo confirmo que los fundamentos del cálculo no son distintos de los de la Recomendación UNESA que he citado, como no podía ser de otra forma. Afortunadamente en los Anexos de MT vienen ejemplos de cálculo que se pueden seguir sin ningún problema (o eso me ha parecido), y los datos que hemos manejado hasta aquí son los que necesita para resolver el cálculo. Y para la resistividad superficial del terreno, que también le hará falta, considere los valores de la tabla 1 del apartado 13.4.1 de la ya citada ITC 13 del Reglamento.

Adjunto el MT 2.23.35 "Diseño de puestas a tierra en apoyos de LAAT de tensión nominal igual o inferior a 20 kV" en versión PDF (2.2 MiB) que acabo de bajar de internet.

 

14 mayo 2012

Tengo una duda acerca de las convocatorias, agradecería me ayudase a resolverla:

¿Disponemos de una o dos convocatorias para la defensa del TFG?

Está claro que en la instancia que debemos entregar únicamente debo seleccionar una, pero si opto por defenderlo en Julio y por los motivos que sea suspendo o no llego a tiempo para tenerlo terminado, ¿podría presentarme nuevamente en Septiembre?

Hago esta consulta, porque ello condiciona mi elección de la fecha, si no dispongo de dos convocatorias optaré pos Septiembre pero si no Julio estaría bien.

Me piden de secretaría que les transmita un ruego: háganse cargo de los trastornos de organización que supone convocar sesiones de defensa ante tribunal para alumnos que luego no se presentan; que los alumnos elijan responsablemente la convocatoria a la que, en efecto, concurrirán, y si finalmente no es posible, habrá que arreglar el asunto de la mejor manera. En todo caso, el Secretario de la Escuela conoce esta consulta y supongo que estará preparando una respuesta que comunicará en su momento.

 

14 mayo 2012

He estado haciendo los planos y la iluminación del local de pública concurrencia del proyecto (20 parcelas) y tengo dos dudas: La primera duda es acerca de la altura del techo del local, he mirado la normativa que afecta a la altura de los locales de publica concurrencia, creo que son:

•Reglamento General de Policía de Espectáculos y Actividades Recreativas que textualmente dice: "La altura mínima libre que han de tener locales destinados a espectáculos públicos, no será inferior a 3,2 metros, medidos desde el suelo de la sala al techo."

•PGOU del municipio, pero es en un pueblo y no tiene, o al menos no lo he encontrado.

Total que he puesto 3.2 metros, y he hecho los cálculos así y me parece demasiado alto, sobre todo por los baños (también he incluido baños y cocina al cálculo), y es que realmente es un bar- cafetería, no se va a celebrar ningún espectáculo allí,…en otros PGOU como en el de La Coruña dan de altura de un LPC sin espectáculo 2.8 metros, ¿lo cambio?¿cómo lo justifico el municipio no tiene PGOU?

No creo que deba considerarse un salón de un bar/restaurante como local destinado a espectáculos públicos, aunque eso lo decide el proyectista. Pero desde luego no me parece acertado extender esa posible calificación a las cocinas y los baños.

Me parece muy acertada la precaución de consultar también la normativa urbanística, pues en las más modernas (sXXI) he detectado cierta tendencia de los arquitectos redactores a regular hasta estos detalles. En cualquier caso, una altura de 3.5 m de suelo a techo es conveniente, porque con un falso techo que sirva para alojar las instalaciones necesitaríamos unos 50 cm al menos, lo que dejaría la altura libre en 3.0 m, que me parece más que razonable. Y los 2.8 m también.

 

14 mayo 2012

La segunda duda es sobre la iluminación en sí, en las Tablas de Pública Concurrencia no pone nada sobre los bares, sólo que el alumbrado debe ser diseñado para crear la atmósfera apropiada,………..¿un valor de unos 220 lux de Em a 0.8m del suelo puede ser aceptable?

Consulte SIEMPRE la norma UNE 12464.1 en la versión de Philips que puse a su disposición (PDF 885 kiB), y busque en ella los valores de referencia para la iluminación. En cualquier caso, un restaurante se ilumina al gusto del decorador. Y si al comer no vemos lo suficiente del plato, ¡es que nos quieren meter gato por liebre!.

 

11 mayo 2012

Buenos dias, tengo una dudilla, en las tutorias dijo que había que entregarle la introduccion a al proyecto a principios de junio, ¿esto sigue adelante, o bien ha cambiado en funcion de cuando se presente el PFG?.

Como me pregunta utilizando la forma verbal "entregarle", deduzco que es a los tutores. Pues bien: como tutor no necesito solo el resumen, o la introducción, para rematar mi función emitiendo un informe favorable para la defensa del trabajo. Lo que necesito es el proyecto completo en papel o en formato digital (únicamente PDF, y preferiblemente un solo documento) y tiempo para revisarlo y elaborar el informe.

¿Cuánto tiempo? Pues no lo sé, pero no corra el riesgo de que se me acumule el trabajo y no pueda con todo. De momento me consta que 79 alumnos han elegido alguna de mis propuestas (79 informes...)

 

11 mayo 2012

He elegido el proyecto de la urbanización de 20 viviendas. Tengo una duda sobre el apartado de “prestaciones de las instalaciones requeridas”. ¿Puedes aclararme qué debe indicarse en este apartado?.

Un resumen de los servicios que debe dar la instalación al usuario final: suministro en baja tensión, con contadores, con tantas líneas, tantas acometidas, incluso al alumbrado o al edificio social; y en alta tensión se requiere protecciones contra cortocircuitos, sobrecargas, sobretensiones, transformación de la tensión, interruptores de corte, función entrada de línea, etc. No se trata de describir la instalación, sino de decir qué funciones desempeñará la instalación.

 

11 mayo 2012

Buenos días, en referencia a la Red de Distribución de Baja Tensión parte del Trabajo de Fin de Grado, al consultar las normas particulares de la Cía Distribuidora, me encuentro con el siguiente dilema, el cual agradecería pudieseis despejarme.

Por cálculos, la red podría verificarme con seción menor, pero por tratarse de Red de Distribución que será cedida instalamos la sección de 240 mm². Por cálculos, nos verificaría hasta más de 1 km de longitud, por intensidad admisible del condustor, por caida de tensión y por cortocircuito incluso seleccionando la protección con fusible.

Ahora bien, según MT 2.51.01 punto 8.2, para la sección elegida, la protección adecuada es de 250 A, para el cartucho fusible, con esta premisa en la tabla de longitudes, tendriamos como máximo la longitud de 247 m para que dicha línea quede protegida contra sobrecargas y cortocircuitos mediante fusibles gG.

Mi pregunta es, ¿podriamos proteger la línea con un calibre inferior, permitiendolo la Cía Distribuidora, ya que la intensidad de fusión del fusible sigue siendo inferior a la intensidad de cortocircuito?

El caso es que por carga la intensidad de cálculo nos dá 74,78 A y en ese caso la línea la podriamos proteger con cartucho fusible de 100 A con el consiguiente aumento de la longitud de la línea a 702 m.

Adjunto páginas de MT 2.51.01

Me temo que los cartuchos fusibles los coloca la empresa distribuidora cuando se le entrega la instalación, justo antes de empezar a dar suministro a las viviendas, así que determinar qué cartucho fusible se coloca no es una labor del proyectista sino que corresponde a la distribuidora (Iberdrola en este caso). No obstante, su estimación es correcta, y calibres menores permiten considerar protegidas mayores longitudes. Así pues, determine en su proyecto el calibre que necesite, explicando la razón. Pero verifique además que el poder de corte (kA) del cartucho que prescriba sea superior a la intensidad de cortocircuito esperada en el punto donde se coloque.

 

13 abril 2012

"Buenos dias, mi nombre es ..., y estoy realizando el proyecto fin de carrera para las especialidad de electricidad del curso de adaptacion de grado, mi proyecto versa sobre la electrificación de 20 viviendas y un local social y me han surgido un pequeño problema. No consigo hacer que hacer los calculos con la tablas de datos, que ha facilitado.

Mi pregunta es la siguiente

¿Podria usted facilitarme un enlace donde pueda ver un ejemplo sencillo de como se desarrolla el cálculo con el formulario o bien facilitarme ejemplo sencillo mediante formulas(solo para la caida de tension sin tener en cuenta la conductividad por temperatura, ya que de esto tengo información suficiente) para que pueda implemertar mi propia hoja de calculo.?"

Supongo que se refiere a la hoja de cálculo fasorial de redes eléctricas ramificadas, cuyo uso no es obligatorio.

El concepto fundamental del cálculo que efectúa esa hoja está explicado en el tema 2 de mis apuntes de Tecnología energética, que se puede descargar libremente desde http://web.usal.es/%7enorber/TA/TEn_USAL_02.pdf (v. a partir de la página 31).

Esa información también está publicada en N. REDONDO MELCHOR, R.C. REDONDO MELCHOR, M.M. REDONDO MELCHOR, Justificación de cálculos en redes de conducción ramificadas, Técnica Industrial no 253, junio 2004, pp. 58-64.

Otro artículo nuestro también sobre la misma cuestión es J. M. García Arévalo, R. C. Redondo Melchor y N. Redondo Melchor, Cálculo preciso de secciones en instalaciones ramificadas de baja tensión, Montajes e Instalaciones. Septiembre de 2007.

Ambos artículos están disponibles en la web del área en http://campus.usal.es/~electricidad/Principal/Descargas.php

Para el uso de la hoja que le facilité tenga en cuenta también las instrucciones prácticas que di en la tutoría presencial del pasado 29 de marzo, [y también en la tutoría específica sobre esta cuestión del pasado 8 de junio] y siga las indicaciones de los comentarios que aparecen al dejar reposar el puntero del ratón sobre las celdas que incluyan una pequeña marca roja en su esquina superior derecha.

 

21 marzo 2012

Quisiera saber cuál va a ser la manera de llevar las tutorías para los trabajos fin de grado de los alumnos que estamos haciendo el curso de adaptación al grado este año. Muchas gracias.

Régimen de tutorías:

La función del tutor del Trabajo es, resumidamente, guiar al alumno en su elaboración. Para ello debe contestar a sus preguntas, que se dirigirán al correo enlazado desde esta página y recibirán respuesta en este foro.

Además, ofrecemos nuestra colaboración de acuerdo al siguiente régimen:

1. Se convocarán sesiones presenciales, en adelante "tutorías", los jueves o los viernes hasta final de curso, a partir de las 17:30 h, de acuerdo a un programa y contenidos prefijados.

2. Las tutorías tendrán lugar en la Escuela y Vd. podrá asistir si le interesa a cuantas sesiones se convoquen. La asistencia es voluntaria.

3. Las tutorías tendrán dos partes:

  • Durante la primera, de una media hora de duración aproximadamente, los tutores explicarán los contenidos prefijados para ese día (planteamiento del trabajo, normativa a aplicar, cuestiones metodológicas, uso de herramientas informáticas, recuerdo de la base teórica a aplicar, etc.)
  • Durante la segunda, que durará lo que sea necesario, los alumnos asistentes podrán plantear las dudas que le hayan surgido durante la realización de su trabajo.

4. La experiencia como tutores durante los años pasados nos indica claramente que no tienen sentido las tutorías individuales y menos para un grupo tan numeroso de alumnos, pues el profesor no tiene manera (ni tiempo!) de ir guiando uno a uno por todo el proceso, sin olvidar ningún contenido y avisando de todos los factores a considerar. Al contrario, lo habitual es que el tutor se confunda y omita explicaciones clave por creer que ya las ha proporcionado, cuando realmente lo hizo pero a otras personas. Por ello no puede haber más que tutorías colectivas y de acuerdo a un programa preestablecido.

5. En principio las tutorías de los jueves se repetirán los viernes, salvo que el número de asistentes a alguna de las sesiones sea ínfimo, en cuyo caso dejarán de convocarse ese día y se reducirán al otro.

 

Primera tutoría:

La primera tutoría tendrá lugar:

- Mañana jueves día 22 de marzo, como se anunció, a las 17:30 h en el Laboratorio de Electricidad, en la primera planta de la Escuela.

- Se repetirá igual el viernes día 23 de marzo, a la misma hora y en el mismo lugar.

El contenido de la primera parte será:

- Análisis de los elementos comunes de las tres propuestas de Trabajo fin de carrera.

- Planteamiento del trabajo y estructura del mismo

- Metodología para su elaboración

- Normativa a aplicar

- Análisis de los documentos de trabajo que se entregarán a los alumnos

Los tutores entregaremos, a partir del viernes 23, algún archivo informático útil para la elaboración del Trabajo, una vez explicado su contenido en la tutoría.

 

###

####

 




Retroceder